LEMON Manuals: Even more car manuals for everyone: 1960-2025
Home >> Subaru >> 2024 >> WRX Base >> Repair and Diagnosis (Single Page) >> Engine Performance >> System >> Engine Control System (Diagnostics) (4 Of 4) >> Diagnostic Procedure with Diagnostic Trouble Code (DTC) >> DTC P2127: Throttle/Pedal Position Sensor/Switch "E" Circuit Low >> Notes
April 5, 2026: LEMON Manuals is launched! Read the announcement.

DTC P2127: Throttle/Pedal Position Sensor/Switch "E" Circuit Low: Notes

DTC detecting condition: 

Immediately at fault recognition

Trouble symptom: 

CAUTION: Use the check board when measuring the ECM terminal voltage and resistance. Ref. to ENGINE (DIAGNOSTICS) (H4DOTC)>GENERAL DESCRIPTION>PREPARATION TOOL>HOW TO USE CHECK BOARD .
NOTE: After the faulty parts are repaired or replaced, perform the final check in Basic Diagnostic Procedure. Ref. to ENGINE (DIAGNOSTICS) (H4DOTC)>BASIC DIAGNOSTIC PROCEDURE>PROCEDURE .

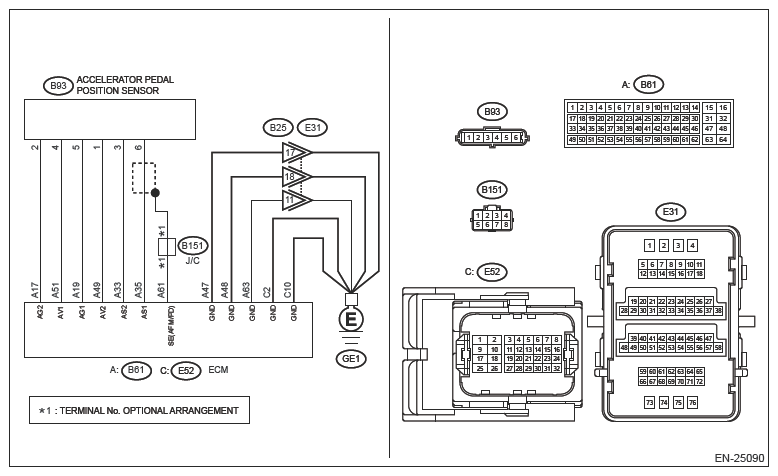
Wiring diagram: 

Engine Electrical System Ref. to WIRING SYSTEM>ENGINE ELECTRICAL SYSTEM .

G14614581Courtesy of SUBARU OF AMERICA, INC.
  1. CHECK DTC  .
    1. Turn the ignition switch to ON.
    2. Using the Subaru Select Monitor or a general scan tool, read the DTC of [Engine]. Ref. to COMMON (DIAGNOSTICS)>DIAGNOSTIC TROUBLE CODE (DTC) .

    Is DTC P06B4 displayed? (Current code)

    Yes:  Check for DTC P06B4. Ref. to ENGINE (DIAGNOSTICS) (H4DOTC)>DIAGNOSTIC PROCEDURE WITH DIAGNOSTIC TROUBLE CODE (DTC)>DTC P06B4 SENSOR POWER SUPPLY "B" CIRCUIT LOW .

    No:  Go to  2.

  2. CHECK DTC  .

    Using the Subaru Select Monitor or a general scan tool, read the DTC of [Engine]. Ref. to COMMON (DIAGNOSTICS)>DIAGNOSTIC TROUBLE CODE (DTC) .

    Is DTC P06B5 displayed? (Current code)

    Yes:  Check for DTC P06B5. Ref. to ENGINE (DIAGNOSTICS) (H4DOTC)>DIAGNOSTIC PROCEDURE WITH DIAGNOSTIC TROUBLE CODE (DTC)>DTC P06B5 SENSOR POWER SUPPLY "B" CIRCUIT HIGH .

    No:  Go to  3.

  3. CHECK DTC  .

    Using the Subaru Select Monitor or a general scan tool, read the DTC of [Engine]. Ref. to COMMON (DIAGNOSTICS)>DIAGNOSTIC TROUBLE CODE (DTC) .

    Is DTC P2127 displayed? (Current code)

    Yes:  Go to  4.

    No:  Even if DTC is detected, the circuit has returned to a normal condition at this time. Reproduce the failure, and then perform the diagnosis again.

  4. CHECK FOR POOR CONTACT  .
    1. Turn the ignition switch to OFF.
    2. Check for poor contact of ECM connector and accelerator pedal position sensor connector.

    Is there poor contact of ECM connector or accelerator pedal position sensor connector?

    Yes:  Repair the poor contact of ECM connector or accelerator pedal position sensor connector.

    No:  Go to  5.

  5. CHECK HARNESS BETWEEN ECM AND ACCELERATOR PEDAL POSITION SENSOR CONNECTOR (OPEN)  .
    1. Disconnect the connector from ECM.
    2. Disconnect the connector from the accelerator pedal position sensor.
    3. Measure the resistance of harness between ECM connector and accelerator pedal position sensor connector.

      Connector & terminal 

      (B61) No. 49 - (B93) No. 1:

      (B61) No. 33 - (B93) No. 3:

    Is the resistance less than 1 Ω?

    Yes:  Go to  6.

    No:  Repair the open circuit of harness between ECM connector and accelerator pedal position sensor connector.

  6. CHECK HARNESS BETWEEN ECM AND ACCELERATOR PEDAL POSITION SENSOR CONNECTOR (SHORT TO GROUND)  .

    Measure the resistance between the ECM connector and engine ground.

    Connector & terminal 

    (B61) No. 33 - Engine ground:

    (B61) No. 49 - Engine ground:

    Is the resistance 1 MΩ or more?

    Yes:  Go to  7.

    No:  Repair the short circuit to ground in harness between ECM connector and accelerator pedal position sensor connector.

  7. CHECK ACCELERATOR PEDAL POSITION SENSOR POWER SUPPLY  .
    1. Connect the connector to ECM.
    2. Turn the ignition switch to ON.
    3. Measure the voltage between accelerator pedal position sensor connector and chassis ground.

      Connector & terminal 

      (B93) No. 1 - Chassis ground:

    Is the voltage 4.5 - 5.5 V?

    Yes:  Replace the accelerator pedal assembly. Ref. to SPEED CONTROL SYSTEMS (H4DOTC)>ACCELERATOR PEDAL .

    No:  Replace the ECM. Ref. to FUEL INJECTION (FUEL SYSTEMS) (H4DOTC)>ENGINE CONTROL MODULE (ECM) .