LEMON Manuals: Even more car manuals for everyone: 1960-2025
Home >> Subaru >> 2024 >> WRX Base >> Repair and Diagnosis (Single Page) >> Engine Performance >> System >> Engine Control System (Diagnostics) (4 Of 4) >> Diagnostic Procedure with Diagnostic Trouble Code (DTC) >> DTC P2530: Ignition Switch Run Position Circuit >> Notes
April 5, 2026: LEMON Manuals is launched! Read the announcement.

DTC P2530: Ignition Switch Run Position Circuit: Notes

DTC detecting condition: 

Immediately at fault recognition

Trouble symptom: 

Improper idling

CAUTION: Use the check board when measuring the ECM terminal voltage and resistance. Ref. to ENGINE (DIAGNOSTICS) (H4DOTC)>GENERAL DESCRIPTION>PREPARATION TOOL>HOW TO USE CHECK BOARD .
NOTE: After the faulty parts are repaired or replaced, perform the final check in Basic Diagnostic Procedure. Ref. to ENGINE (DIAGNOSTICS) (H4DOTC)>BASIC DIAGNOSTIC PROCEDURE>PROCEDURE .

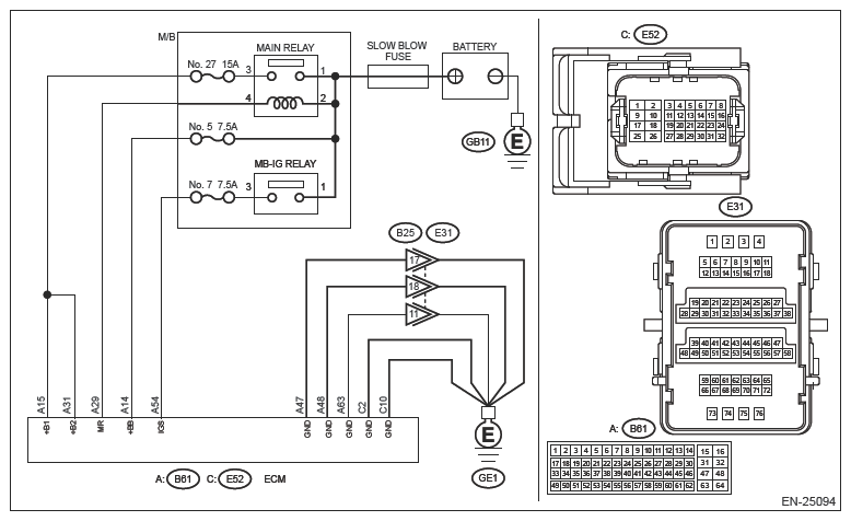
Wiring diagram: 

Engine Electrical System Ref. to WIRING SYSTEM>ENGINE ELECTRICAL SYSTEM .

G14614572Courtesy of SUBARU OF AMERICA, INC.
  1. CHECK ECM CONNECTOR  .

    Check the connecting condition of ECM connector.

    Is the ECM connector correctly connected?

    Yes:  Go to  2.

    No:  Connect the ECM connector correctly.

  2. CHECK INPUT VOLTAGE OF ECM  .
    1. Turn the ignition switch to ON.
    2. Measure the voltage between ECM connector and engine ground while wiggling the harness between ECM connector and M/B.

      Connector & terminal 

      (B61) No. 54 (+) - Engine ground (-):

    Is the voltage 8 V or more all the time?

    Yes:  Even if DTC is detected, the circuit has returned to a normal condition at this time. Reproduce the failure, and then perform the diagnosis again.

    NOTE: In this case, the following items may be the cause of fault.
    • Poor contact of ECM connector
    • Poor contact of MB-IG relay

    No:  Repair the following item.

    • Blown out of fuse
    • Open circuit or short circuit to ground in harness between M/B and ECM connector
    • Faulty MB-IG relay
    • Poor contact of MB-IG relay