LEMON Manuals: Even more car manuals for everyone: 1960-2025
Home >> Subaru >> 2024 >> WRX Base >> Repair and Diagnosis (Single Page) >> Engine Performance >> System >> Engine Control System (Diagnostics) (4 Of 4) >> Diagnostic Procedure with Diagnostic Trouble Code (DTC) >> DTC U1712: Lost Lin Communication With Battery "1" Monitor Module >> Notes
April 5, 2026: LEMON Manuals is launched! Read the announcement.

DTC U1712: Lost Lin Communication With Battery "1" Monitor Module: Notes

DTC detecting condition: 

Immediately at fault recognition

CAUTION: Use the check board when measuring the ECM terminal voltage and resistance. Ref. to ENGINE (DIAGNOSTICS) (H4DOTC)>GENERAL DESCRIPTION>PREPARATION TOOL>HOW TO USE CHECK BOARD .
NOTE: After the faulty parts are repaired or replaced, perform the final check in Basic Diagnostic Procedure. Ref. to ENGINE (DIAGNOSTICS) (H4DOTC)>BASIC DIAGNOSTIC PROCEDURE>PROCEDURE .

Wiring diagram: 

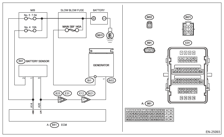
Engine Electrical System Ref. to WIRING SYSTEM>ENGINE ELECTRICAL SYSTEM .

G14614715Courtesy of SUBARU OF AMERICA, INC.
  1. CHECK DTC  .

    Using the Subaru Select Monitor or a general scan tool, read the DTC of [Engine]. Ref. to COMMON (DIAGNOSTICS)>DIAGNOSTIC TROUBLE CODE (DTC) .

    Is DTC U1712 displayed? (Current code)

    Yes:  Go to  2.

    No:  The circuit has returned to a normal condition at this time. Reproduce the failure, and then perform the diagnosis again.

    NOTE: In this case, temporary poor contact of connector, temporary open or short circuit of harness may be the cause.
  2. CHECK ECM CONNECTOR  .

    Check the connecting condition of ECM connector.

    Is the ECM connector correctly connected?

    Yes:  Go to  3.

    No:  Connect the ECM connector correctly.

  3. CHECK HARNESS BETWEEN BATTERY AND BATTERY SENSOR CONNECTOR (OPEN)  .
    1. Turn the ignition switch to OFF.
    2. Disconnect the ground terminal from battery sensor. Ref. to REPAIR CONTENTS>NOTE>BATTERY .
    3. Disconnect the connector from battery sensor.
    4. Disconnect the positive terminal of battery.
    5. Measure the resistance of the harness between battery positive cable terminal and battery sensor connector.

      Connector & terminal 

    (Positive cable terminal - (B91) No. 1:

    (Positive cable terminal - (B91) No. 2:

    Is the resistance less than 1 Ω?

    Yes:  Go to  4.

    No:  Repair the open circuit in harness between battery positive cable terminal and battery sensor connector.

  4. CHECK HARNESS BETWEEN ECM CONNECTOR AND BATTERY SENSOR CONNECTOR (OPEN)  .
    1. Disconnect the connector from ECM.
    2. Measure the resistance of harness between ECM connector and battery sensor connector.

      Connector & terminal 

      (B91) No. 3 - (B61) No. 20:

    Is the resistance less than 1 Ω?

    Yes:  Repair the poor contact of ECM connector or battery sensor connector.

    No:  Repair the open circuit in harness between ECM connector and battery sensor connector.