LEMON Manuals: Even more car manuals for everyone: 1960-2025
Home >> Suzuki >> 2001 >> Esteem GL Sedan L4-1.6L >> Repair and Diagnosis >> Diagrams >> Connector Views >> Computers and Control Systems >> System Diagram >> Electronic Control System
April 5, 2026: LEMON Manuals is launched! Read the announcement.

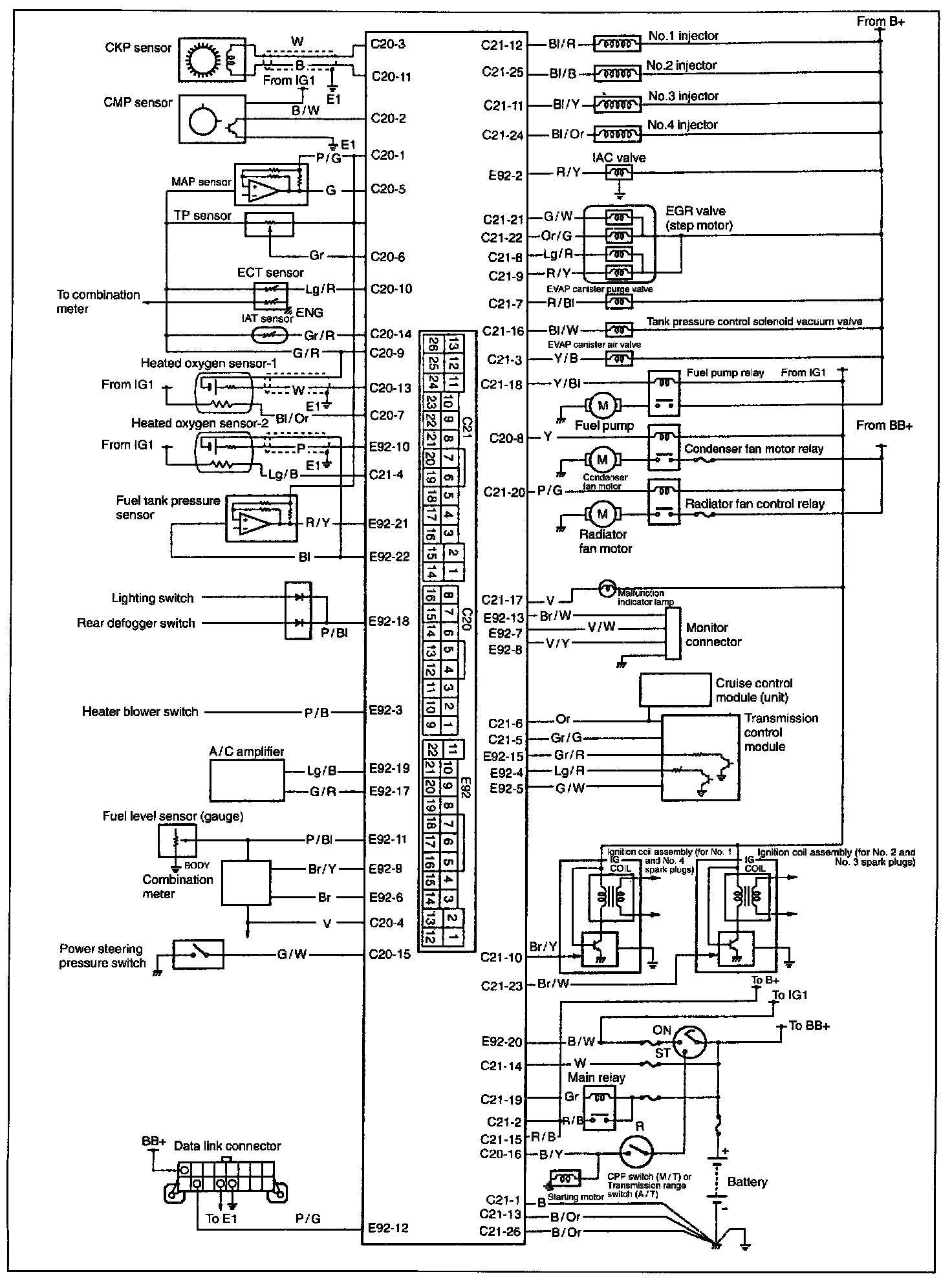
Electronic Control System




Connectors C20, C21 And E92:






Wire color
B : Black
B/Or : Black/Orange
B/W : Black/White
B/Y : Black/Yellow
BI : Blue
BI/Or : Blue/Orange
BI/B : Blue/Black
BI/R : Blue/Red
BI/W Blue/White
BI/Y : Blue/Yellow
Br : Brown
Br/W : Brown/White
Br/V : Brown/Yellow
G : Green
G/R : Green/Red
G/W : Green/White
Gr :Gray
Gr/G : Gray/Green
Gr/R Gray/Red
Lg/B : Lightgreen/Black
Lg/R : Lightgreen/Red
Or : Orange
Or/G Orange/Green
P : Pink
P/B Pink/Black
P/BI Pink/Blue
P/G Pink/Green
V : Violet
V/Y : Violet/Yellow
V/W Violet/White
W White
R/B Red/Black
R/BI Red/Blue
R/Y : Red/Yellow
Y : Yellow
Y/B : Yellow/Black
Y/BI Yellow/Blue