LEMON Manuals: Even more car manuals for everyone: 1960-2025
Home >> Suzuki >> 2001 >> Esteem GL Sedan L4-1.6L >> Repair and Diagnosis >> Powertrain Management >> Transmission Control Systems >> Relays and Modules - Transmission and Drivetrain >> Relays and Modules - A/T >> Control Module >> Description and Operation
April 5, 2026: LEMON Manuals is launched! Read the announcement.

Control Module: Description and Operation





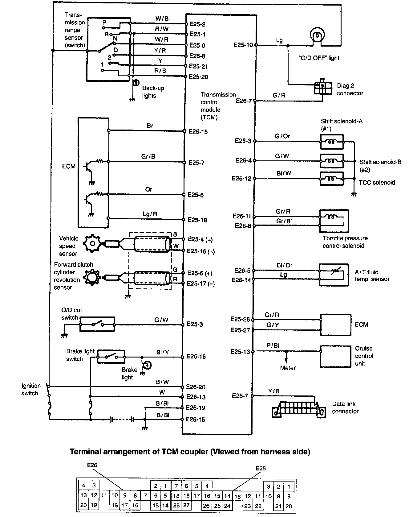
TRANSMISSION CONTROL MODULE (TCM)
The TCM controls gear shift, TCC, etc. according to the signals from each sensor. It is a microcomputer consisting of an IC, transistor, diode, etc. It is installed at the left side of the steering column.