LEMON Manuals: Even more car manuals for everyone: 1960-2025
Home >> Suzuki >> 2003 >> Vitara 4WD L4-2.0L >> Repair and Diagnosis >> Diagrams >> Exploded Views >> Engine Mount
April 5, 2026: LEMON Manuals is launched! Read the announcement.

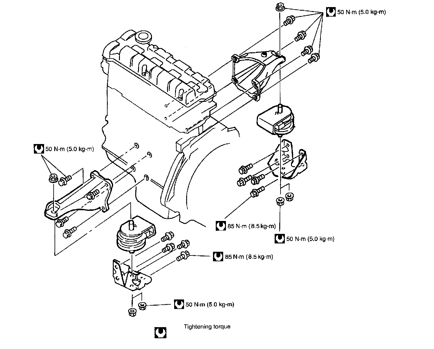
Engine Mount