LEMON Manuals: Even more car manuals for everyone: 1960-2025
Home >> Suzuki >> 2003 >> Vitara 4WD L4-2.0L >> Repair and Diagnosis >> Powertrain Management >> Ignition System >> Diagrams
April 5, 2026: LEMON Manuals is launched! Read the announcement.

Ignition System: Diagrams

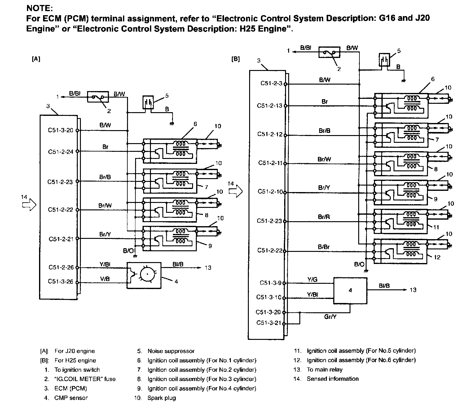
Schematic And Routing Diagram (Ignition System Wiring):