LEMON Manuals: Even more car manuals for everyone: 1960-2025
Home >> Suzuki >> 2004 >> Aerio L4-2.3L >> Repair and Diagnosis >> Diagrams >> Exploded Views >> Manual Transmission/Transaxle >> Transaxle Case Components
April 5, 2026: LEMON Manuals is launched! Read the announcement.

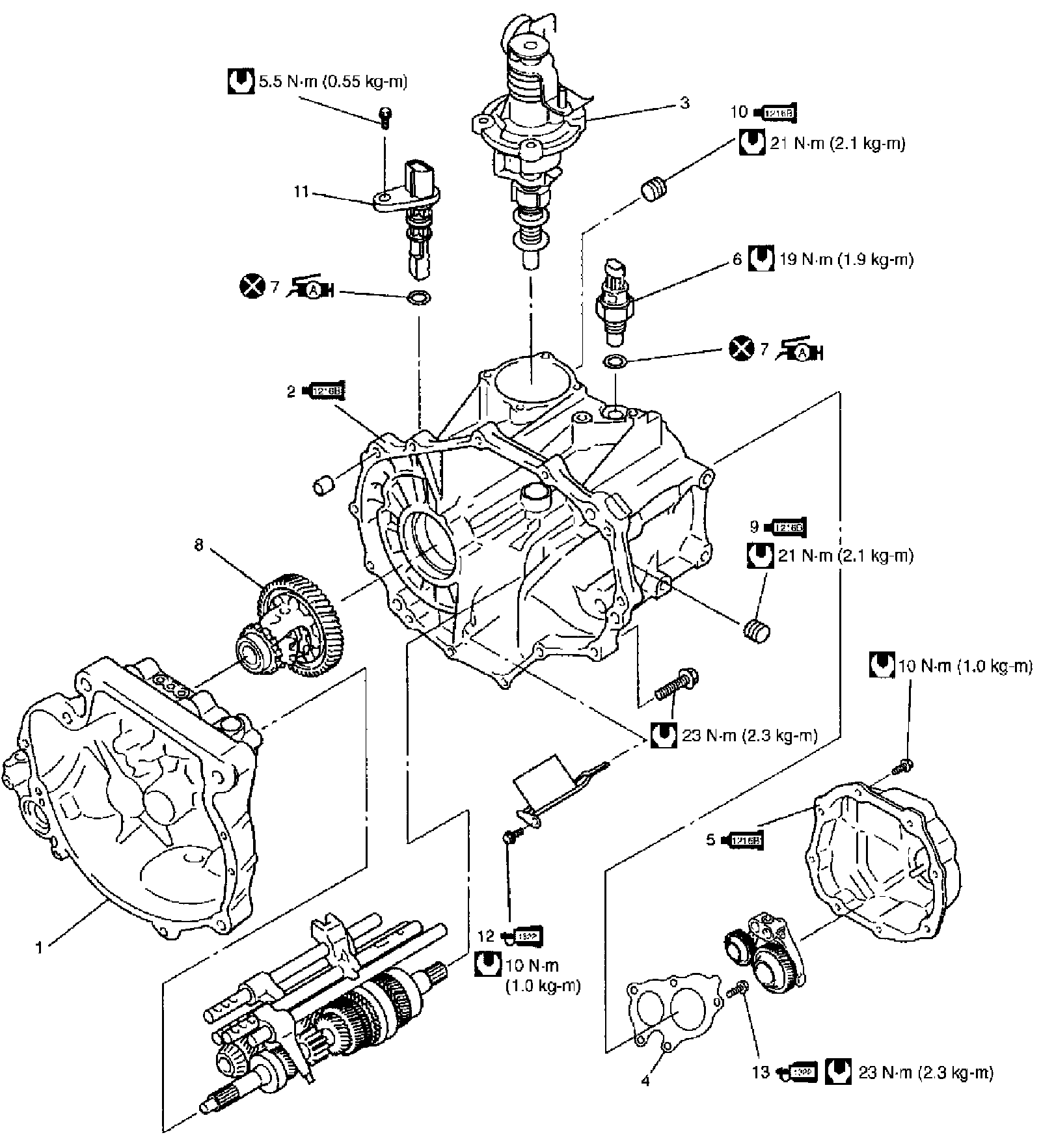
Transaxle Case Components

Part 1 Of 2:




Part 2 Of 2:





Transaxle Case Components