LEMON Manuals: Even more car manuals for everyone: 1960-2025
Home >> Suzuki >> 2004 >> Verona L6-2.5L >> Repair and Diagnosis >> Powertrain Management >> Ignition System >> Testing and Inspection
April 5, 2026: LEMON Manuals is launched! Read the announcement.

Ignition System: Testing and Inspection

Ignition System Check

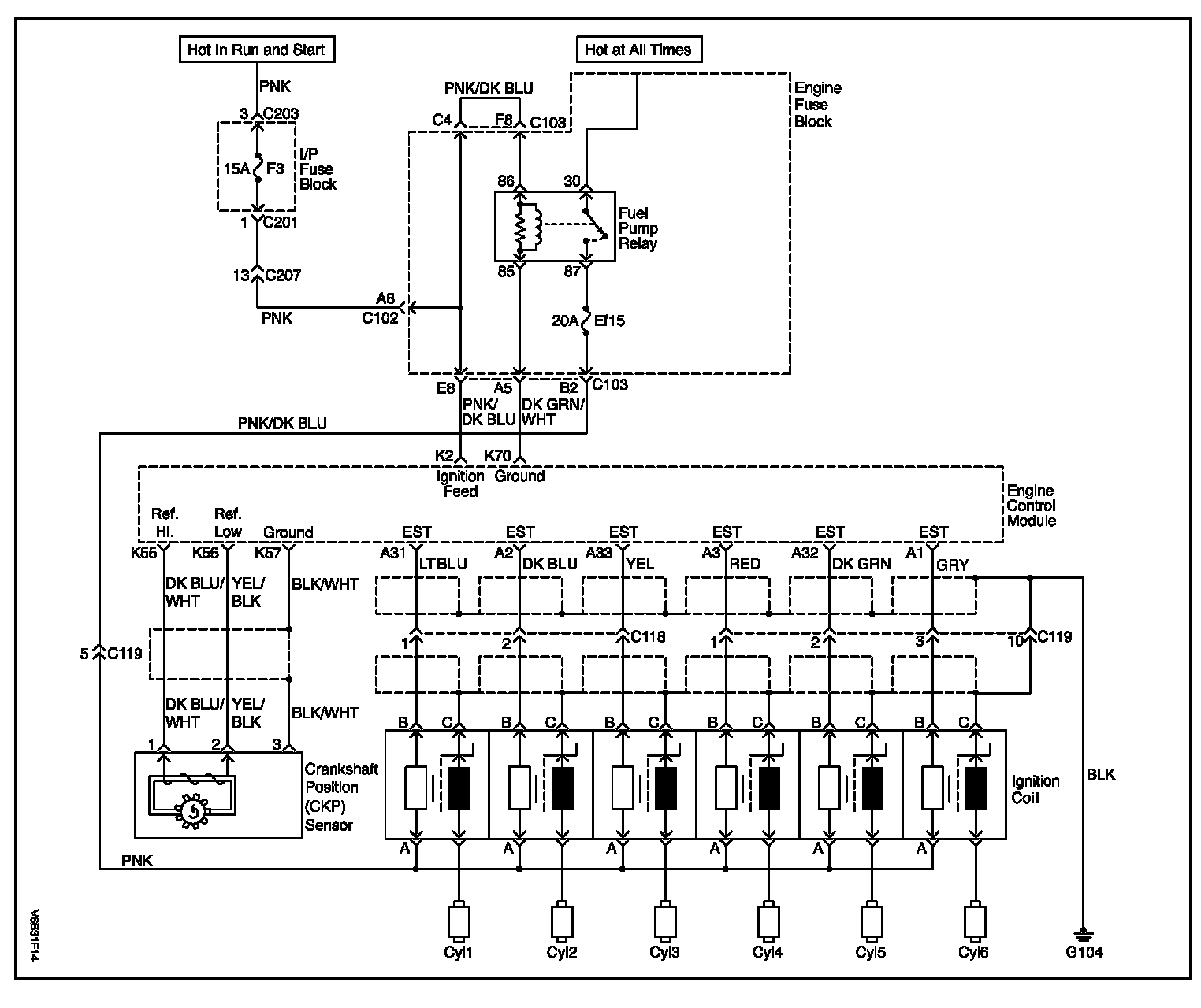
Wiring Diagram:





Circuit Description

WARNING: Use only electrically insulated pliers when handling ignition wires with the engine running to prevent an electrical shock.

The Electronic Ignition (EI) system uses an independent spark distribution. The CKP sensor sends reference pulses to the Engine Control Module (ECM). The ECM then triggers the EI system ignition coil. Once the ECM triggers the EI system ignition coil, then the connected spark plug fires.

Step 1 - 8:




Step 9 - 29:




Troubleshooting