LEMON Manuals: Even more car manuals for everyone: 1960-2025
Home >> Suzuki >> 2004 >> XL-7 2WD V6-2.7L >> Repair and Diagnosis >> Diagrams >> Exploded Views >> Electronic Brake Control Module >> Type 2
April 5, 2026: LEMON Manuals is launched! Read the announcement.

Type 2

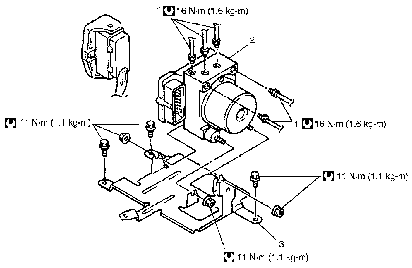
ABS Hydraulic Unit/Control Module Assembly Components








CAUTION: Never disassemble ABS hydraulic unit/control module assembly, loosen blind plug or remove motor.

Performing any of these prohibited services will affect original performance of ABS hydraulic unit/control module assembly.