LEMON Manuals: Even more car manuals for everyone: 1960-2025
Home >> Suzuki >> 2005 >> XL-7 2WD V6-2.7L >> Repair and Diagnosis >> Powertrain Management >> Computers and Control Systems >> Relays and Modules - Computers and Control Systems >> Body Control Module >> Diagrams >> Electrical Diagrams
April 5, 2026: LEMON Manuals is launched! Read the announcement.

Electrical Diagrams

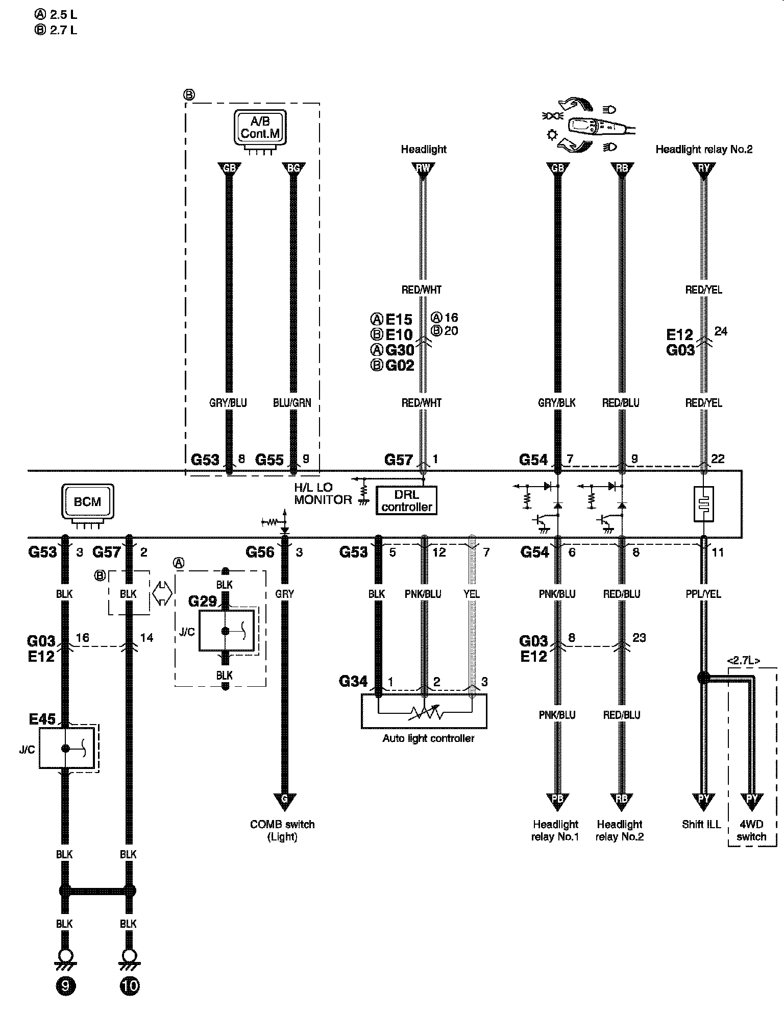
Body Electric Control Circuit Diagram 1:




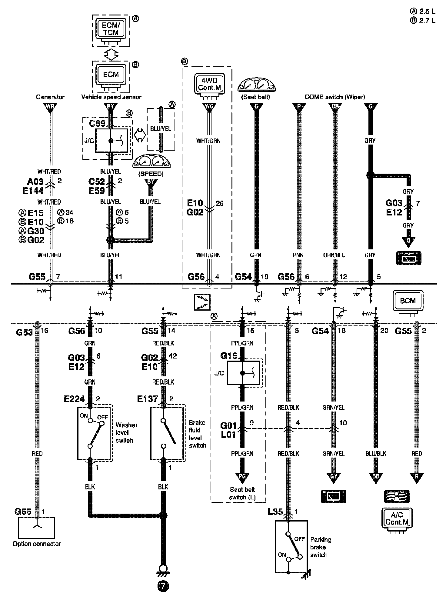
Body Electric Control Circuit Diagram 2:




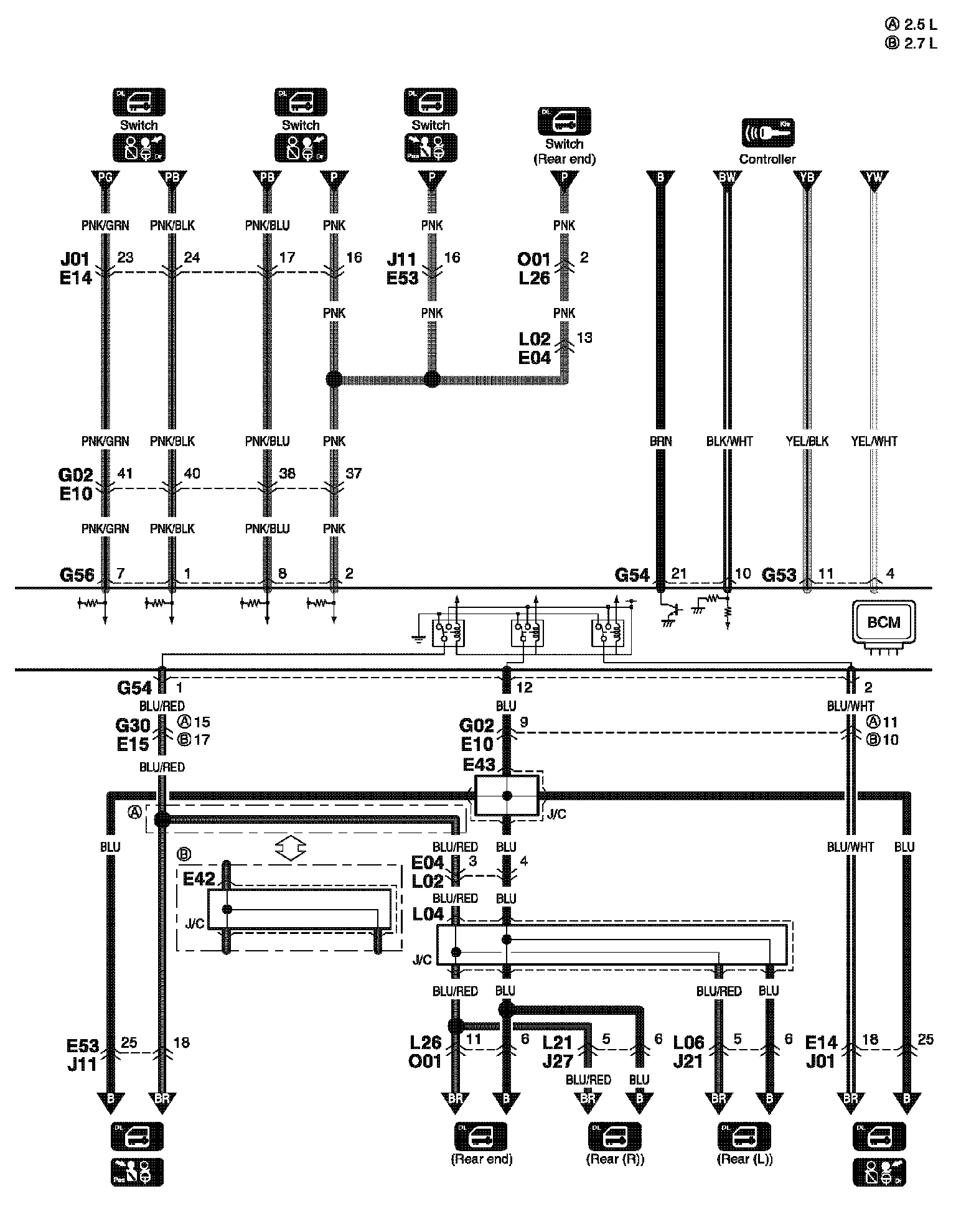
Body Electric Control Circuit Diagram 3:




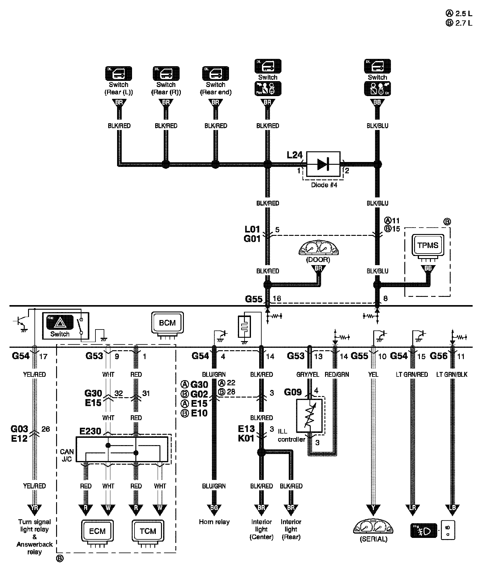
Body Electric Control Circuit Diagram 4:




Body Electric Control Circuit Diagram 5:






Connector/Component Locations: The locations of connectors and components referred to within these diagrams can be found via the connector number at Vehicle Connector Locations. Connector Locations

Ground Locations: The locations of grounds referred to within these diagrams can be found via the ground number at Vehicle Ground Locations. Ground Locations