LEMON Manuals: Even more car manuals for everyone: 1960-2025
Home >> Suzuki >> 2006 >> Forenza Base, 4D Sedan, Automatic >> Repair and Diagnosis >> Engine Performance >> Engine Control Systems >> Engine Performance - Diagnostics - Introduction >> Schematic & Routing Diagram >> ECM Wiring Diagram (For NOTCH BACK Model) - 4/7
April 5, 2026: LEMON Manuals is launched! Read the announcement.

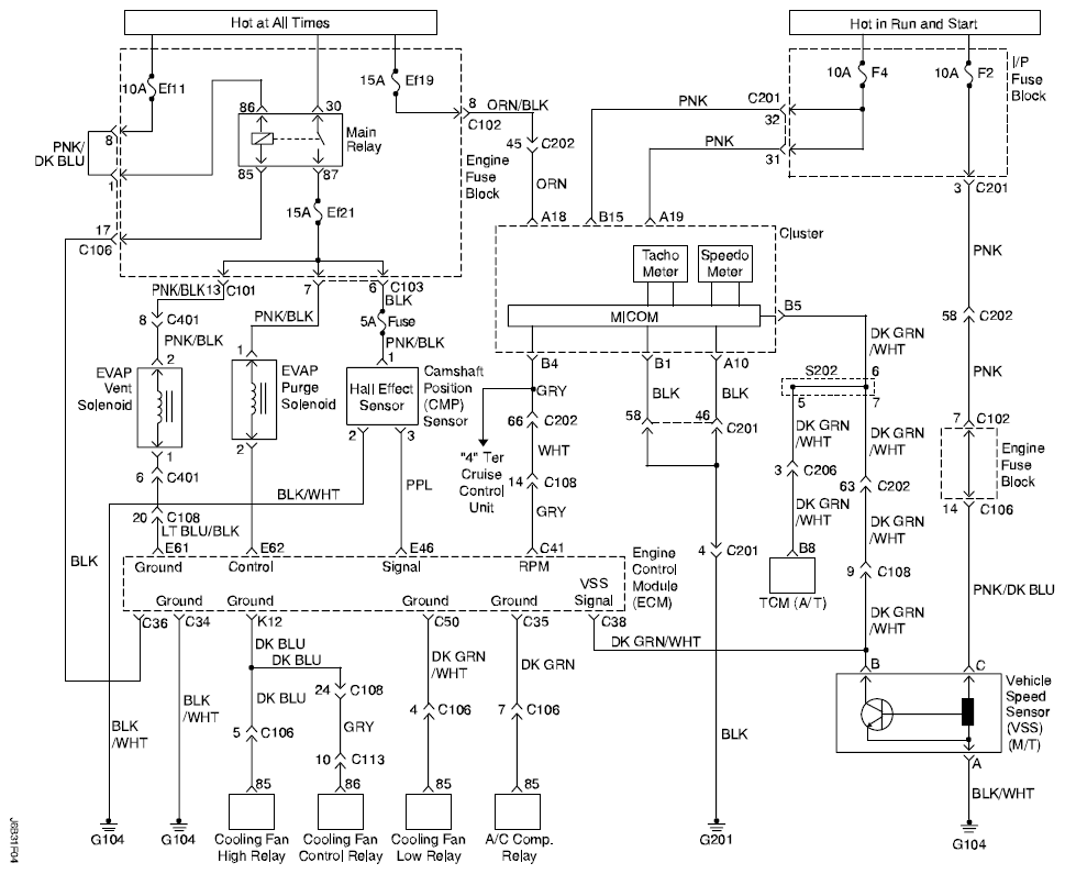
ECM Wiring Diagram (For NOTCH BACK Model) - 4/7

Fig 1: ECM Wiring Diagram (For Notch Back Model) - 4/7
G04716198Courtesy of SUZUKI OF AMERICA CORP.