LEMON Manuals: Even more car manuals for everyone: 1960-2025
Home >> Suzuki >> 2006 >> Verona L6-2.5L >> Repair and Diagnosis >> Diagrams >> Electrical Diagrams >> Powertrain Management >> Computers and Control Systems >> Engine Control Module
April 5, 2026: LEMON Manuals is launched! Read the announcement.

Engine Control Module

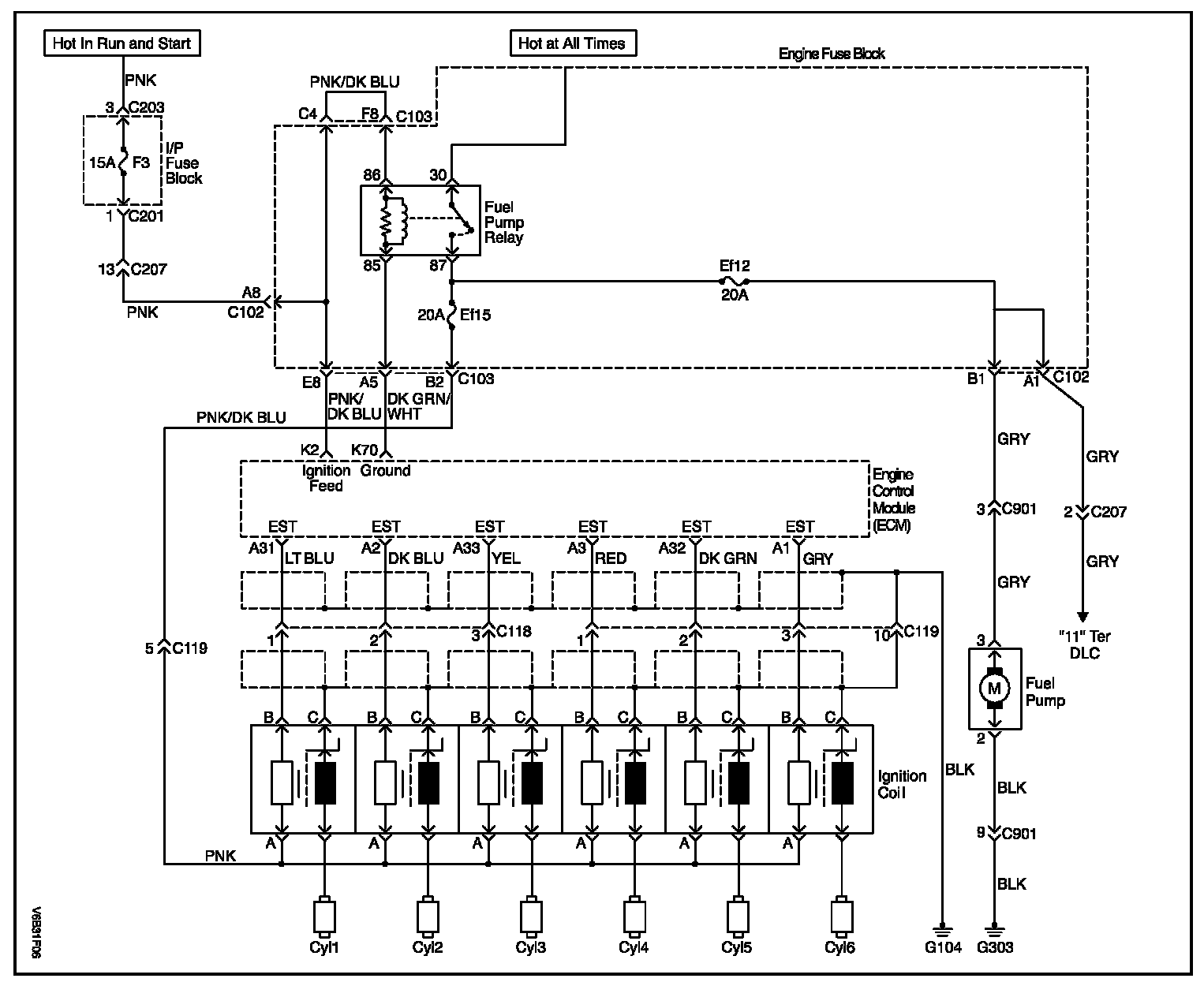
ECM Wiring Diagram Part 1:




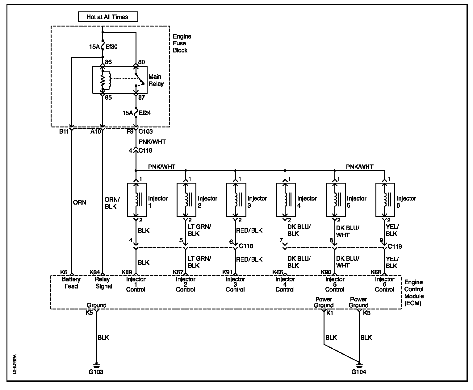
ECM Wiring Diagram Part 2:




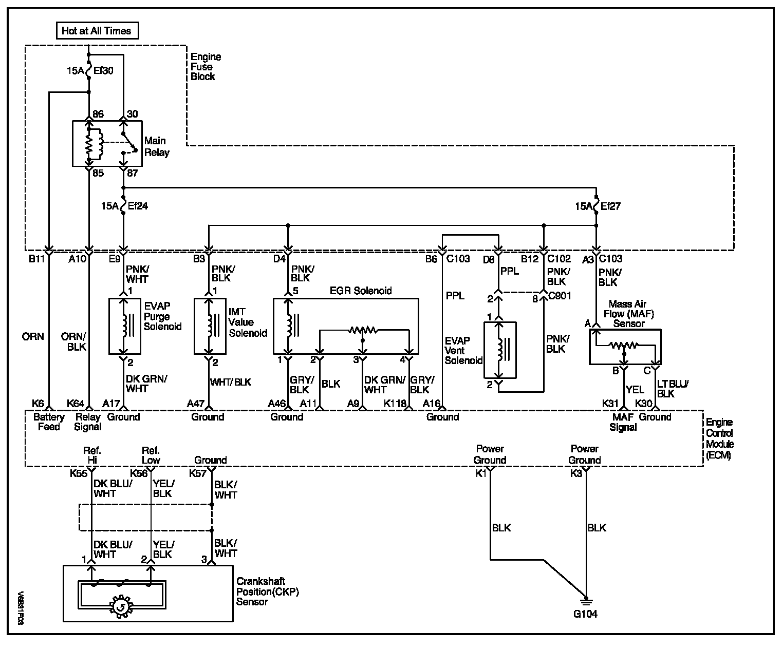
ECM Wiring Diagram Part 3:




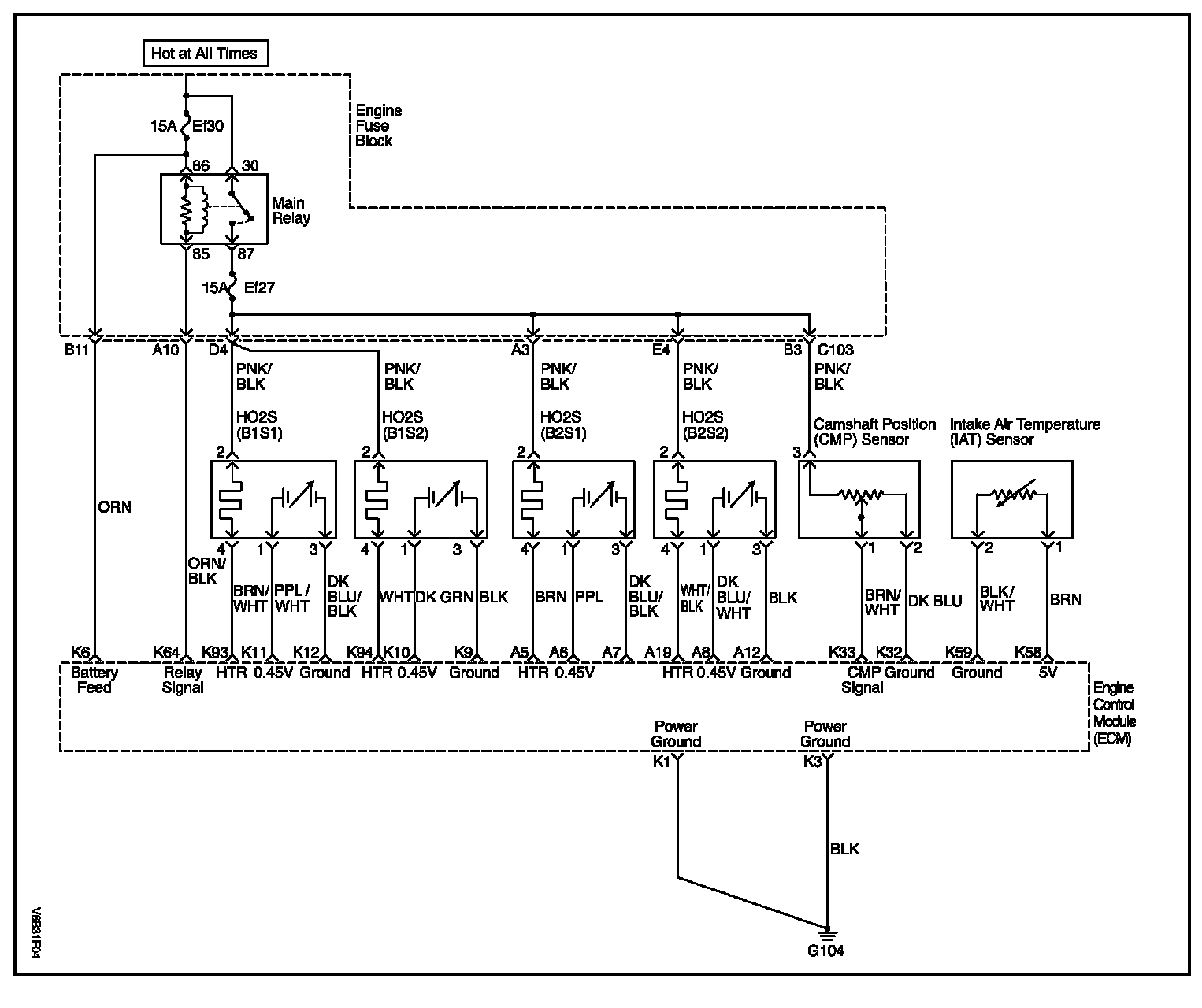
ECM Wiring Diagram Part 4:




ECM Wiring Diagram Part 5:




ECM Wiring Diagram Part 6:




ECM Wiring Diagram Part 7: