LEMON Manuals: Even more car manuals for everyone: 1960-2025
Home >> Suzuki >> 2006 >> Verona L6-2.5L >> Repair and Diagnosis >> Powertrain Management >> Computers and Control Systems >> Coolant Temperature Sensor/Switch (For Computer) >> Locations
April 5, 2026: LEMON Manuals is launched! Read the announcement.

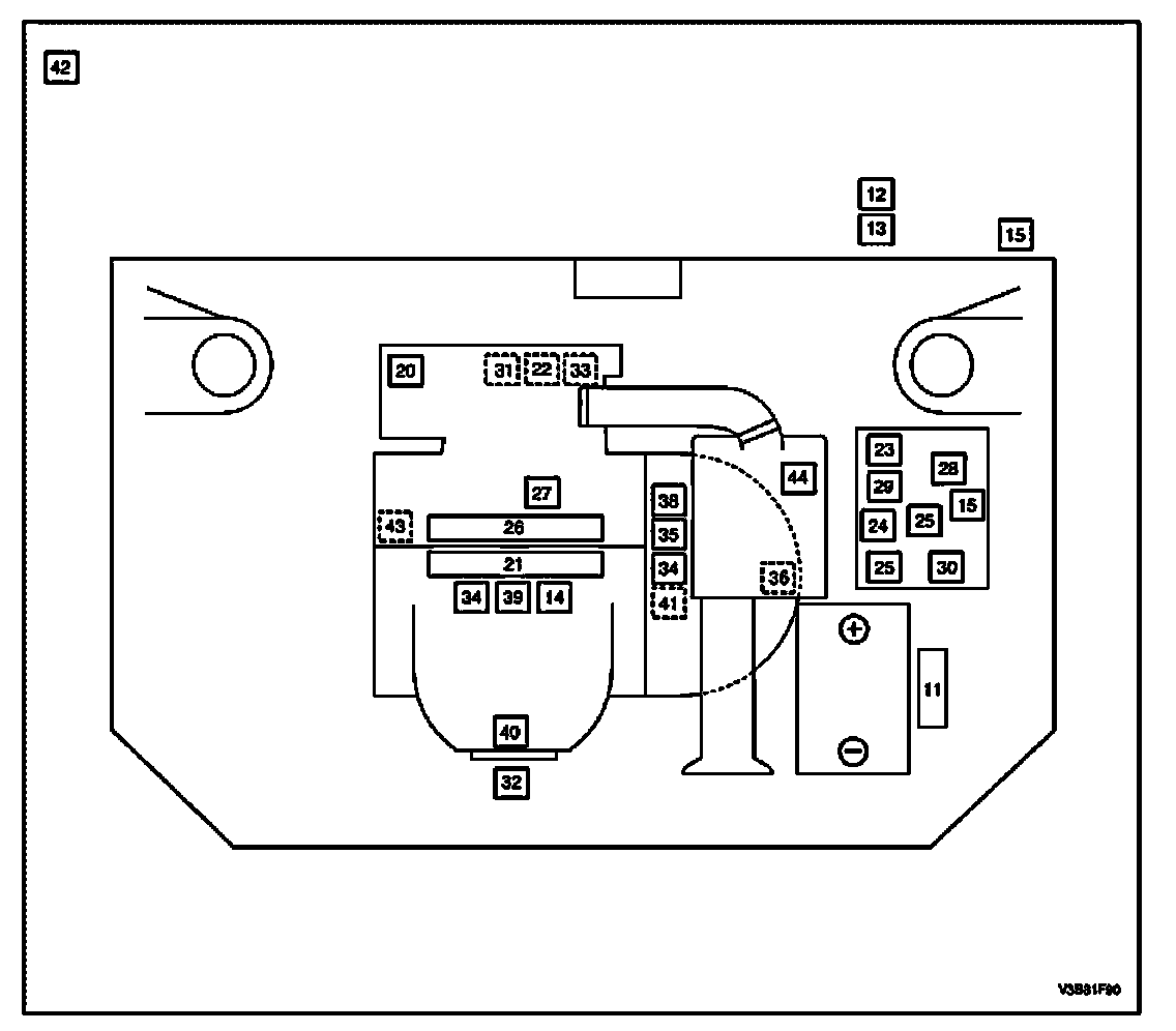
Coolant Temperature Sensor/Switch (For Computer): Locations

Component Location Part 1:



Component Location Part 2: