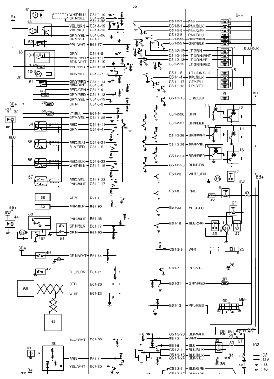
Electronic Control System Wiring Diagram
Connector "E61"
CONNECTOR "E61" REFERENCE
| Terminal | Wire color | Circuit |
|---|---|---|
| E61-1 | GRY/YEL | Ground for mass air flow (MAF) sensor |
| E61-2 | WHT | Power source for internal memory |
| E61-3 | - | - |
| E61-4 | GRY | Throttle position signal for cruise control module |
| E61-5 | - | - |
| E61-6 | BRN | Engine revolution (ignition pulse) signal for tachometer |
| E61-7 | PPL/YEL | MIL ("SERVICE ENGINE SOON" lamp) output |
| E61-8 | PNK | A/C compressor relay output (if equipped) |
| E61-9 | BLU | Main power supply relay output |
| E61-10 | - | - |
| E61-11 | - | - |
| E61-12 | - | - |
| E61-13 | PPL/RED | Serial communication line of data link connector |
| E61-14 | - | - |
| E61-15 | - | - |
| E61-16 | PNK/WHT | Electric load signal for blower motor |
| E61-17 | GRN/BLK | A/C request signal (if equipped) |
| E61-18 | BLU/ORN | Relay of high speed side for A/C condenser fan motor |
| E61-19 | - | - |
| E61-20 | ORN | Medium pressure signal for A/C refrigerant pressure switch |
| E61-21 | GRY/RED | IMT vacuum solenoid valve output |
| E61-22 | YEL/BLU | Relay output of low speed side for A/C condenser fan motor (if equipped) |
| E61-23 | WHT/GRN | Fuel pump relay output |
| E61-24 | LT | BLU Intake air temp. (IAT) sensor signal |
| E61-25 | YEL/WHT | ECT signal for combination meter |
| E61-26 | - | - |
| E61-27 | PPL/WHT | Mass air flow (MAF) sensor signal |
| E61-28 | BLU/WHT | Fuel level signal |
| E61-29 | - | - |
| E61-30 | PNK/BLK | Idle up signal from ABS control module (if equipped) |
| E61-31 | BLU/ORN | Power steering pressure switch signal |
| E61-32 | WHT | CAN communication line (Active Low Signal) |
| E61-33 | RED | CAN communication line (Active High Signal) |
| E61-34 | GRN/WHT | Electric load signal for stop lamp |
| E61-35 | - | - |
Connector "C51-3"
CONNECTOR "C51-3" REFERENCE
| Terminal | Wire Color | Circuit |
|---|---|---|
| C51-3-1 | BRN/RED | EVAP leak check pressure sensor signal |
| C51-3-2 | GRN | Engine coolant temp. (ECT) signal |
| C51-3-3 | WHT | Knock sensor signal |
| C51-3-4 | BLU/BLK | Main power supply |
| C51-3-5 | GRY | Output of 5 V power source for EVAP leak check pressure sensor |
| C51-3-6 | BLK/GRN | Ground for ECM |
| C51-3-7 | GRY/BLU | EVAP leak detecting pump output |
| C51-3-8 | RED/WHT | Manifold absolute pressure (MAP) sensor signal |
| C51-3-9 | RED/GRN | Throttle position (TP) sensor signal |
| C51-3-10 | BRN/WHT | Ground for EVAP leak check pressure sensor |
| C51-3-11 | RED | Oxygen signal of heated oxygen sensor-1 (Bank 1) |
| C51-3-12 | GRY/YEL | Ground for throttle position (TP) sensor |
| C51-3-13 | GRY/RED | Output of 5 V power source for throttle position (TP) sensor |
| C51-3-14 | GRY/RED | Output of 5 V power source for Manifold absolute pressure (MAP) sensor |
| C51-3-15 | BLU/BLK | Main power supply |
| C51-3-16 | - | - |
| C51-3-17 | BLK/ORN | Ground for ECM |
| C51-3-18 | PPL/RED | EVAP canister vent valve output |
| C51-3-19 | - | - |
| C51-3-20 | BLK/WHT | Ignition switch signal |
| C51-3-21 | RED/BLU | Oxygen signal of heated oxygen sensor-1 (Bank 2) |
| C51-3-22 | RED/BLK | Oxygen signal of heated oxygen sensor-2 (Bank 1) |
| C51-3-23 | RED/YEL | Oxygen signal of heated oxygen sensor-2 (Bank 2) |
| C51-3-24 | - | - |
| C51-3-25 | GRY/YEL | Ground for sensors |
| C51-3-26 | GRY/YEL | Ground for CMP sensor |
Connector "C51-1"
CONNECTOR "C51-1" REFERENCE
| Terminal | Wire Color | Circuit |
|---|---|---|
| C51-1-1 | - | - |
| C51-1-2 | - | - |
| C51-1-3 | - | - |
| C51-1-4 | PPL/BLK | IAC valve output (stepper motor coil 2) |
| C51-1-5 | LT GRN/BLK | IAC valve output (stepper motor coil 1) |
| C51-1-6 | - | - |
| C51-1-7 | - | - |
| C51-1-8 | - | - |
| C51-1-9 | - | - |
| C51-1-10 | - | - |
| C51-1-11 | - | - |
| C51-1-12 | YEL/GRN | Reference signal for CMP sensor |
| C51-1-13 | YEL/BLU | Position signal for CMP sensor |
| C51-1-14 | BLU/YEL | Vehicle speed sensor signal |
| C51-1-15 | GRN/BLK | EVAP canister purge valve output |
| C51-1-16 | PPL/YEL | IAC valve output (stepper motor coil 4) |
| C51-1-17 | GRY/BLU | IAC valve output (stepper motor coil 3) |
| C51-1-18 | - | - |
| C51-1-19 | - | - |
| C51-1-20 | - | - |
| C51-1-21 | - | - |
| C51-1-22 | - | - |
| C51-1-23 | - | - |
| C51-1-24 | BLK/YEL | Starting motor signal |
| C51-1-25 | - | - |
| C51-1-26 | - | - |
| C51-1-27 | - | - |
| C51-1-28 | - | - |
Connector "C51-2"
CONNECTOR "C51-2" REFERENCE
| Terminal | Wire Color | Circuit |
|---|---|---|
| C51-2-1 | PNK/BLK | Fuel injector No.2 output |
| C51-2-2 | PNK | Fuel injector No.1 output |
| C51-2-3 | - | - |
| C51-2-4 | GRY | Heater output of heated oxygen sensor-1 (Bank 1) |
| C51-2-5 | BLK/RED | Heater output of heated oxygen sensor-1 (Bank 2) |
| C51-2-6 | - | - |
| C51-2-7 | BLK/GRN | Ground for ECM |
| C51-2-8 | PNK/BLU | Fuel injector No.4 output |
| C51-2-9 | PNK/GRN | Fuel injector No.3 output |
| C51-2-10 | - | - |
| C51-2-11 | - | - |
| C51-2-12 | LT GRN/RED | EGR valve (stepper motor coil 4) output |
| C51-2-13 | LT GRN/YEL | EGR valve (stepper motor coil 3) output |
| C51-2-14 | LT GRN/WHT | EGR valve (stepper motor coil 2) output |
| C51-2-15 | LT GRN | EGR valve (stepper motor coil 1) output |
| C51-2-16 | WHT/BLK | Heater output of heated oxygen sensor-2 (Bank 1) |
| C51-2-17 | PNK/WHT | Heater output of heated oxygen sensor-2 (Bank 2) |
| C51-2-18 | - | - |
| C51-2-19 | WHT/BLU | CKP sensor signal (+) |
| C51-2-20 | ORN/BLU | CKP sensor signal (-) |
| C51-2-21 | GRY/BLK | Fuel injector No.6 output |
| C51-2-22 | GRY/GRN | Fuel injector No.5 output |
| C51-2-23 | BLK/BRN | Ignition coil No.6 output |
| C51-2-24 | BRN/RED | Ignition coil No.5 output |
| C51-2-25 | BRN/YEL | Ignition coil No.4 output |
| C51-2-26 | BRN/WHT | Ignition coil No.3 output |
| C51-2-27 | BRN/BLK | Ignition coil No.2 output |
| C51-2-28 | BRN | Ignition coil No.1 output |
| C51-2-29 | - | - |
| C51-2-30 | - (shield ground) | Ground of shield wire for CKP sensor |