LEMON Manuals: Even more car manuals for everyone: 1960-2025
Home >> Suzuki >> 2007 >> Aerio L4-2.3L >> Repair and Diagnosis >> Diagrams >> Exploded Views >> Automatic Transmission/Transaxle >> Automatic Transaxle Assembly Components
April 5, 2026: LEMON Manuals is launched! Read the announcement.

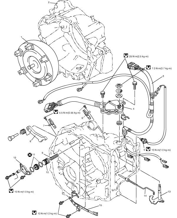
Automatic Transaxle Assembly Components

Automatic Transaxle Assembly Components

Automatic Transaxle Assembly Components:




Automatic Transaxle Assembly Components:




Automatic Transaxle Assembly Components:




Automatic Transaxle Assembly Components:




Automatic Transaxle Assembly Components:




Automatic Transaxle Assembly Components: