LEMON Manuals: Even more car manuals for everyone: 1960-2025
Home >> Suzuki >> 2007 >> Aerio L4-2.3L >> Repair and Diagnosis >> Powertrain Management >> Computers and Control Systems >> Locations
April 5, 2026: LEMON Manuals is launched! Read the announcement.

Computers and Control Systems: Locations

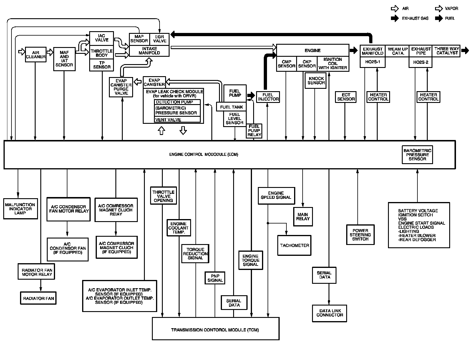
Electronic Control System Components Location Part 1:



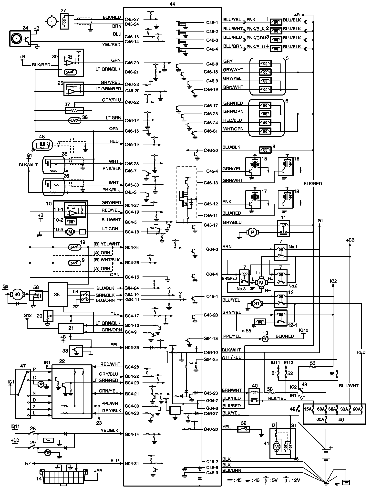
Electronic Control System Components Location Part 2: