LEMON Manuals: Even more car manuals for everyone: 1960-2025
Home >> Suzuki >> 2007 >> SX4 4WD L4-2.0L >> Repair and Diagnosis >> Diagrams >> Exploded Views >> Alternator
April 5, 2026: LEMON Manuals is launched! Read the announcement.

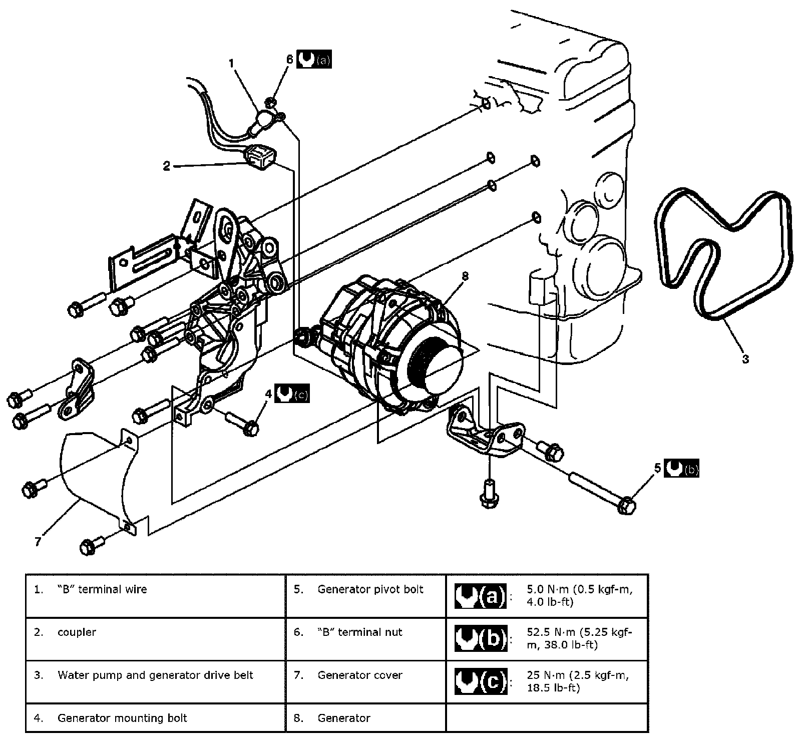
Alternator

Generator Unit Components:



Generator Components: