LEMON Manuals: Even more car manuals for everyone: 1960-2025
Home >> Suzuki >> 2007 >> SX4 Base, Automatic >> Repair and Diagnosis >> External Pages >> Different car >> Section 75 (Glass/Windows/Mirrors) >> Schematic and Routing Diagram >> Defogger System Circuit Wiring Diagram (For NOTCHBACK and HATCHBACK Model)
April 5, 2026: LEMON Manuals is launched! Read the announcement.

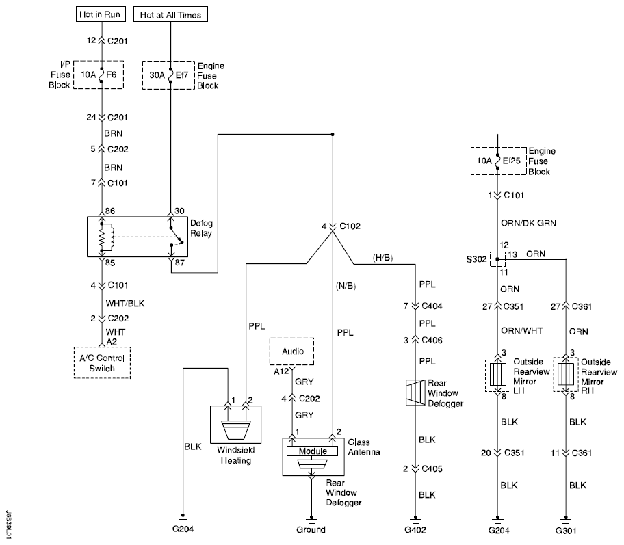
Defogger System Circuit Wiring Diagram (For NOTCHBACK and HATCHBACK Model)

WARNING: This page does not describe the selected car, but rather 6 other vehicles, including the 2008 Suzuki Reno, 2008 Suzuki Forenza, 2007 Suzuki Reno, 2007 Suzuki Forenza, and 2006 Suzuki Reno. However, it is still accessible from the selected car via links, so may be relevant.
Fig 1: Defogger System Circuit Wiring Diagram - Notchback And Hatchback Model
G04718195Courtesy of SUZUKI OF AMERICA CORP.