LEMON Manuals: Even more car manuals for everyone: 1960-2025
Home >> Suzuki >> 2007 >> SX4 Base, Standard >> Repair and Diagnosis >> External Pages >> Different car >> Section 48 (Lighting Systems) >> Schematic & Routing Diagram >> Backup Lamps Circuit Diagram (For NOTCHBACK/HATCHBACK Model)
April 5, 2026: LEMON Manuals is launched! Read the announcement.

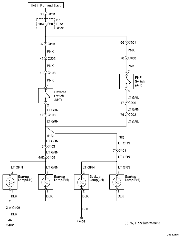
Backup Lamps Circuit Diagram (For NOTCHBACK/HATCHBACK Model)

WARNING: This page does not describe the selected car, but rather 6 other vehicles, including the 2008 Suzuki Reno, 2008 Suzuki Forenza, 2007 Suzuki Reno, 2007 Suzuki Forenza, and 2006 Suzuki Reno. However, it is still accessible from the selected car via links, so may be relevant.
Fig 1: Backup Lamps Circuit Diagram - Notchback/Hatchback Model
G04717998Courtesy of SUZUKI OF AMERICA CORP.