LEMON Manuals: Even more car manuals for everyone: 1960-2025
Home >> Suzuki >> 2009 >> Equator 2WD L4-2.5L >> Repair and Diagnosis >> Diagrams >> Electrical Diagrams >> Powertrain Management >> Computers and Control Systems >> Body Control Module
April 5, 2026: LEMON Manuals is launched! Read the announcement.

Body Control Module

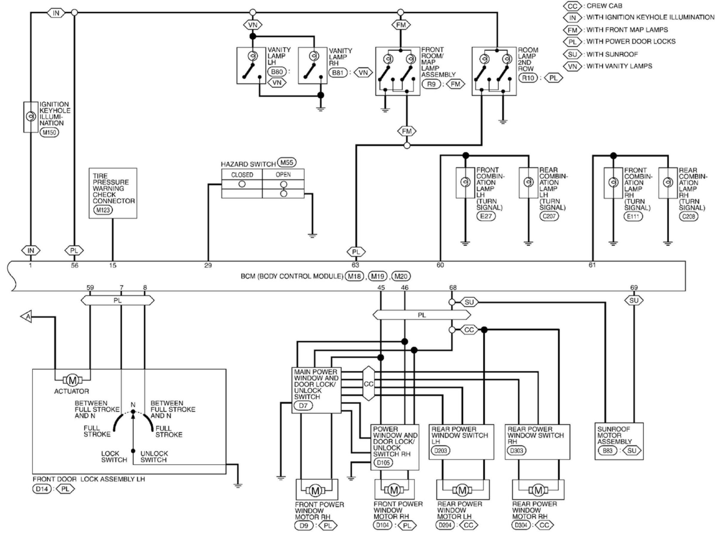
BCM (Body Control Module): Wiring Diagram

BCM (Body Control Module) (Part 1):




BCM (Body Control Module) (Part 2):






BCM (Body Control Module) Connectors

BCM (Body Control Module) Connectors (Part 1):




BCM (Body Control Module) Connectors (Part 2):