LEMON Manuals: Even more car manuals for everyone: 1960-2025
Home >> Suzuki >> 2009 >> Equator 2WD L4-2.5L >> Repair and Diagnosis >> Diagrams >> Exploded Views >> Automatic Transmission/Transaxle >> Transmission Assembly Exploded View
April 5, 2026: LEMON Manuals is launched! Read the announcement.

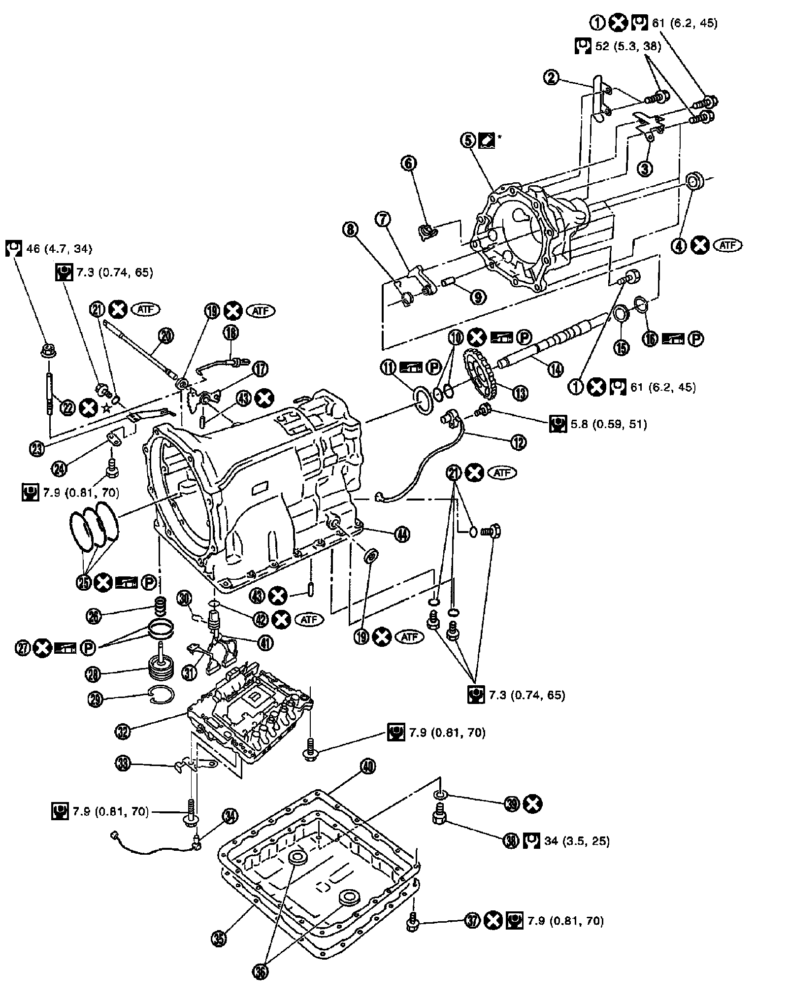
Transmission Assembly Exploded View

Transmission Assembly Exploded View








QR25DE models








VQ40DE models








2WD Models








4WD Models