LEMON Manuals: Even more car manuals for everyone: 1960-2025
Home >> Suzuki >> 2009 >> Equator 2WD L4-2.5L >> Repair and Diagnosis >> Powertrain Management >> Computers and Control Systems >> Body Control Module >> Testing and Inspection >> Component Tests and General Diagnostics >> Combination Switch Circuit Check
April 5, 2026: LEMON Manuals is launched! Read the announcement.

Combination Switch Circuit Check

Combination Switch Circuit Check

Description

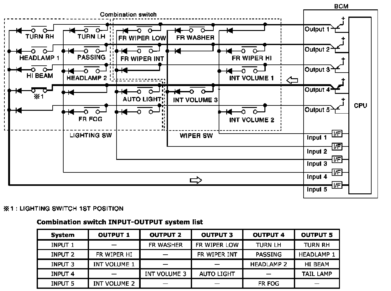
COMBINATION SWITCH MATRIX
Combination switch consists of INPUT circuit and OUTPUT circuit.

Combination switch circuit

Combination Switch:






NOTE: Headlamp has a dual system switch.

Diagnosis Procedure

Step 1-3: