LEMON Manuals: Even more car manuals for everyone: 1960-2025
Home >> Suzuki >> 2011 >> Equator 2WD L4-2.5L >> Repair and Diagnosis >> Body and Frame >> Body Control Systems >> Body Control Module >> Diagrams >> Electrical Diagrams
April 5, 2026: LEMON Manuals is launched! Read the announcement.

Electrical Diagrams




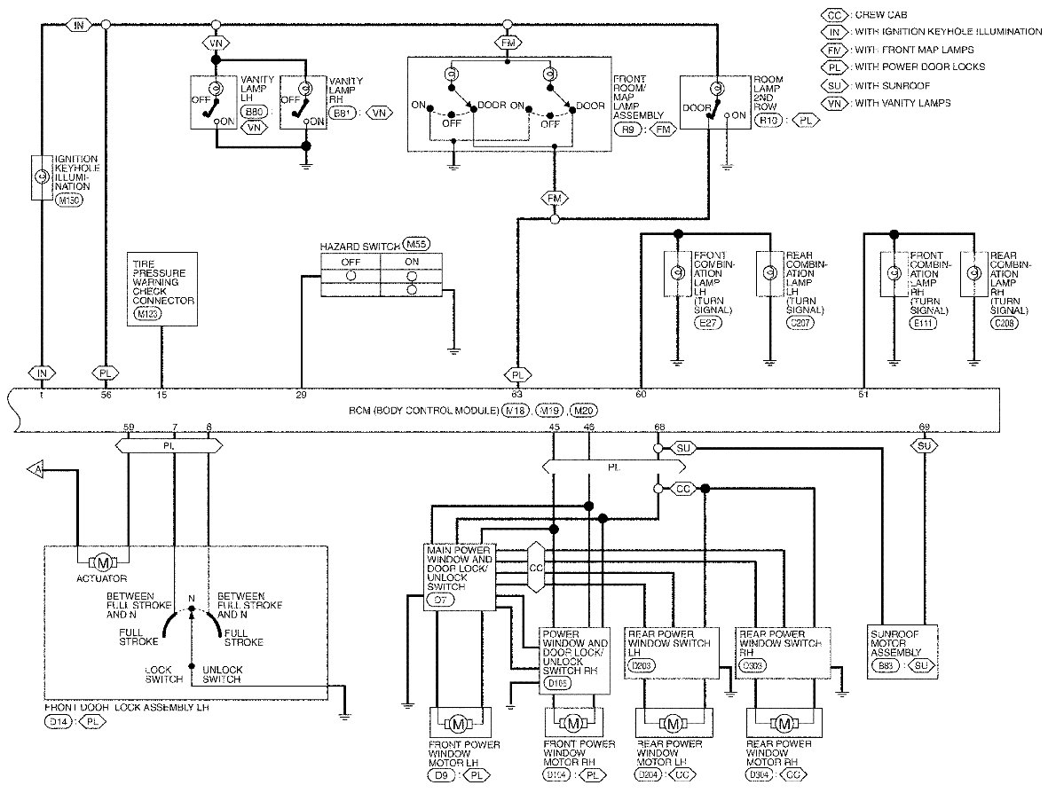
BCM: Wiring Diagram