LEMON Manuals: Even more car manuals for everyone: 1960-2025
Home >> Suzuki >> 2011 >> SX4 Base, Standard >> Repair and Diagnosis (Single Page) >> Steering >> Power Steering >> Power Assisted Steering System (Electric) >> Diagnostic Information and Procedures >> Serial Data Link Circuit Check (No Communication to P/S Control Module) >> Wiring Diagram
April 5, 2026: LEMON Manuals is launched! Read the announcement.

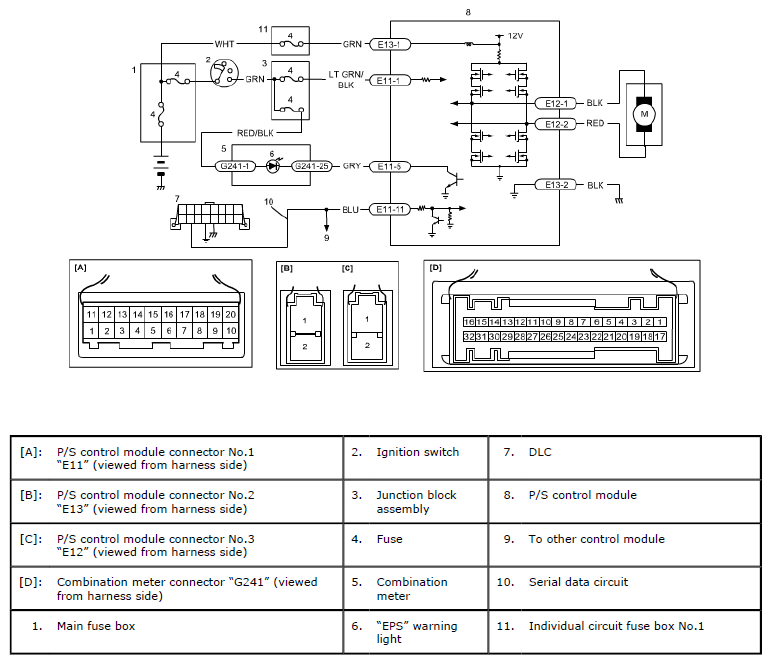
Serial Data Link Circuit Check (No Communication to P/S Control Module): Wiring Diagram

Fig 1: Serial Data Link Circuit Check (No Communication To P/S Control Module) Wiring Diagram
G06867561Courtesy of SUZUKI OF AMERICA CORP.