LEMON Manuals: Even more car manuals for everyone: 1960-2025
Home >> Suzuki >> 2012 >> Kizashi AWD L4-2.4L >> Repair and Diagnosis >> Transmission and Drivetrain >> Continuously Variable Transmission/Transaxle >> Relays and Modules - CVT >> Control Module >> Testing and Inspection >> Component Tests and General Diagnostics >> TCM Power Supply and Ground Circuit Check
April 5, 2026: LEMON Manuals is launched! Read the announcement.

TCM Power Supply and Ground Circuit Check




TCM Power Supply and Ground Circuit Check

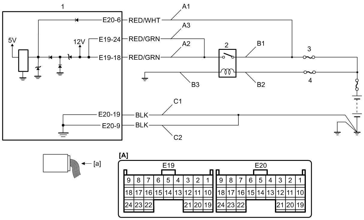
Circuit Diagram










Troubleshooting

1. Back up power supply circuit check

Confirm that ignition mode of keyless push start system is in "OFF".
Disconnect "E19" and "E20" connectors.
Check for proper terminal connection to "E19" and "E20" connectors.
If connections are OK, check that voltage between "A1" circuit and ground is battery voltage.

Is it in good condition?
YES -
Go to Step 2.
NO -
Repair or replace defective wire harness.

2. CVT relay power supply circuit (switch side) check

Remove power integration from main fuse box.
Check for proper terminal connection for power integration connector.
If connections are OK, check that voltage between "B1" circuit and ground is battery voltage.

Is it in good condition?
YES -
Go to Step 3.
NO -
Repair or replace defective wire harness.

3. CVT relay power supply (coil side) circuit check

Push engine switch to change ignition mode to "ON".
Check that voltage between "B2" circuit and ground is battery voltage.

Is it in good condition?
YES -
Go to Step 4.
NO -
Repair or replace defective wire harness.

4. CVT relay ground circuit check

Check that voltage between "B2" and "B3" circuits are battery voltage.

Is it in good condition?
YES -
Go to Step 5.
NO -
Repair or replace defective wire harness.

5. CVT relay check

Check CVT relay. Testing and Inspection

Is it in good condition?
YES -
Go to Step 6.
NO -
Replace CVT relay (power integration).

6. Main power supply circuit check

Push engine switch to change ignition mode to "OFF".
Install power integration.
Push engine switch to change ignition mode to "ON".
Check that voltage between each of "A2" and "A3" circuits and ground are battery voltage.

Are they in good condition?
YES -
Go to Step 7.
NO -
Repair or replace defective wire harness.

7. TCM ground circuit check

Push engine switch to change ignition mode to "OFF".
Check that resistance between each of "C1" and "C2" circuits and ground are less than 1 ohms.

Are they in good condition?
YES -
TCM power and ground circuit is in good condition.
NO -
Repair or replace defective wire harness.