LEMON Manuals: Even more car manuals for everyone: 1960-2025
Home >> Suzuki >> 2012 >> SX4 Base >> Repair and Diagnosis >> External Pages >> Different car >> Section 98 (Differential Assembly) >> Schematic and Routing Diagram >> 4WD Control System Wiring Circuit Diagram >> Notes
April 5, 2026: LEMON Manuals is launched! Read the announcement.

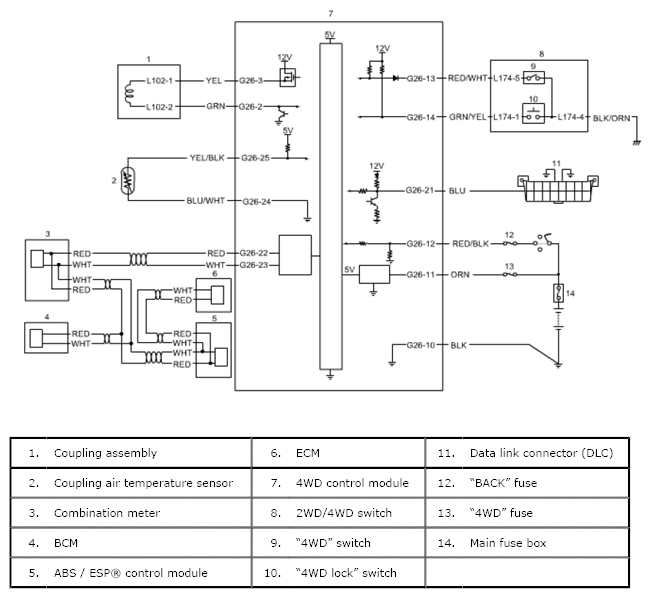
4WD Control System Wiring Circuit Diagram: Notes

WARNING: This page is about a different car, the 2011 Suzuki SX4. However, it is still accessible from the selected car via links, so may be relevant.
Fig 1: 4WD Control System Wiring Circuit Diagram
G06868316Courtesy of SUZUKI OF AMERICA CORP.