LEMON Manuals: Even more car manuals for everyone: 1960-2025
Home >> Suzuki >> 2012 >> SX4 LE, Standard Trans >> Repair and Diagnosis (Single Page) >> Brakes >> Traction Control >> Antilock Brake System (Abs) >> Diagnostic Information and Procedures >> ABS Hydraulic Unit/Control Module Assembly Power Supply and Ground Circuit Check >> Circuit Diagram
April 5, 2026: LEMON Manuals is launched! Read the announcement.

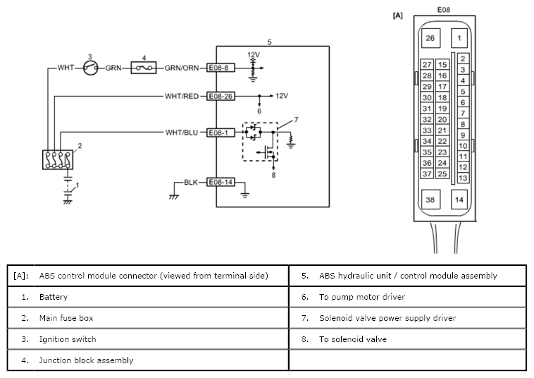
Circuit Diagram

Fig 1: ABS Hydraulic Unit/Control Module Assembly Power Supply And Ground Circuit Check - Circuit Diagram
G06868571Courtesy of SUZUKI OF AMERICA CORP.