LEMON Manuals: Even more car manuals for everyone: 1960-2025
Home >> Suzuki >> 2013 >> Kizashi Base, Automatic CVT Trans >> Repair and Diagnosis (Single Page) >> Engine Performance >> System >> Engine General Information & Diagnosis >> Schematic and Routing Diagram >> Engine Control System Circuit Diagram >> Notes
April 5, 2026: LEMON Manuals is launched! Read the announcement.

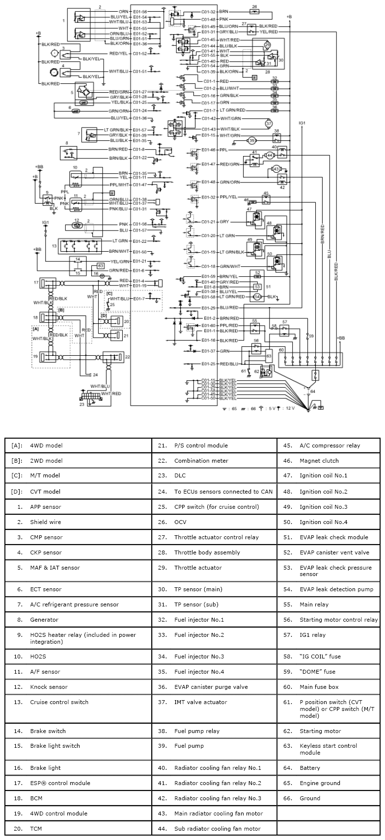
Engine Control System Circuit Diagram: Notes

Fig 1: Engine Control System Circuit Diagram
G06526421Courtesy of SUZUKI OF AMERICA CORP.