LEMON Manuals: Even more car manuals for everyone: 1960-2025
Home >> Suzuki >> 2013 >> Kizashi Base, Standard Trans >> Repair and Diagnosis >> External Pages >> Different car >> Section 102 (Audio Visual/Navigation) >> Schematic and Routing Diagram >> Audio System Circuit Diagram >> With Audio Amplifier
April 5, 2026: LEMON Manuals is launched! Read the announcement.

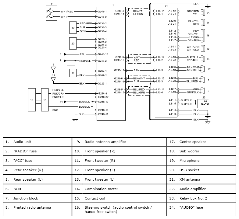
With Audio Amplifier

WARNING: This page is about a different car, the 2010 Suzuki Kizashi. However, it is still accessible from the selected car via links, so may be relevant.
Fig 1: Audio System Circuit Diagram - With Audio Amplifier
G06530307Courtesy of SUZUKI OF AMERICA CORP.