LEMON Manuals: Even more car manuals for everyone: 1960-2025
Home >> Toyota >> 1986 >> Van LE >> Repair and Diagnosis >> Maintenance >> Procedures >> Maintenance Information >> Service Point Locations
April 5, 2026: LEMON Manuals is launched! Read the announcement.

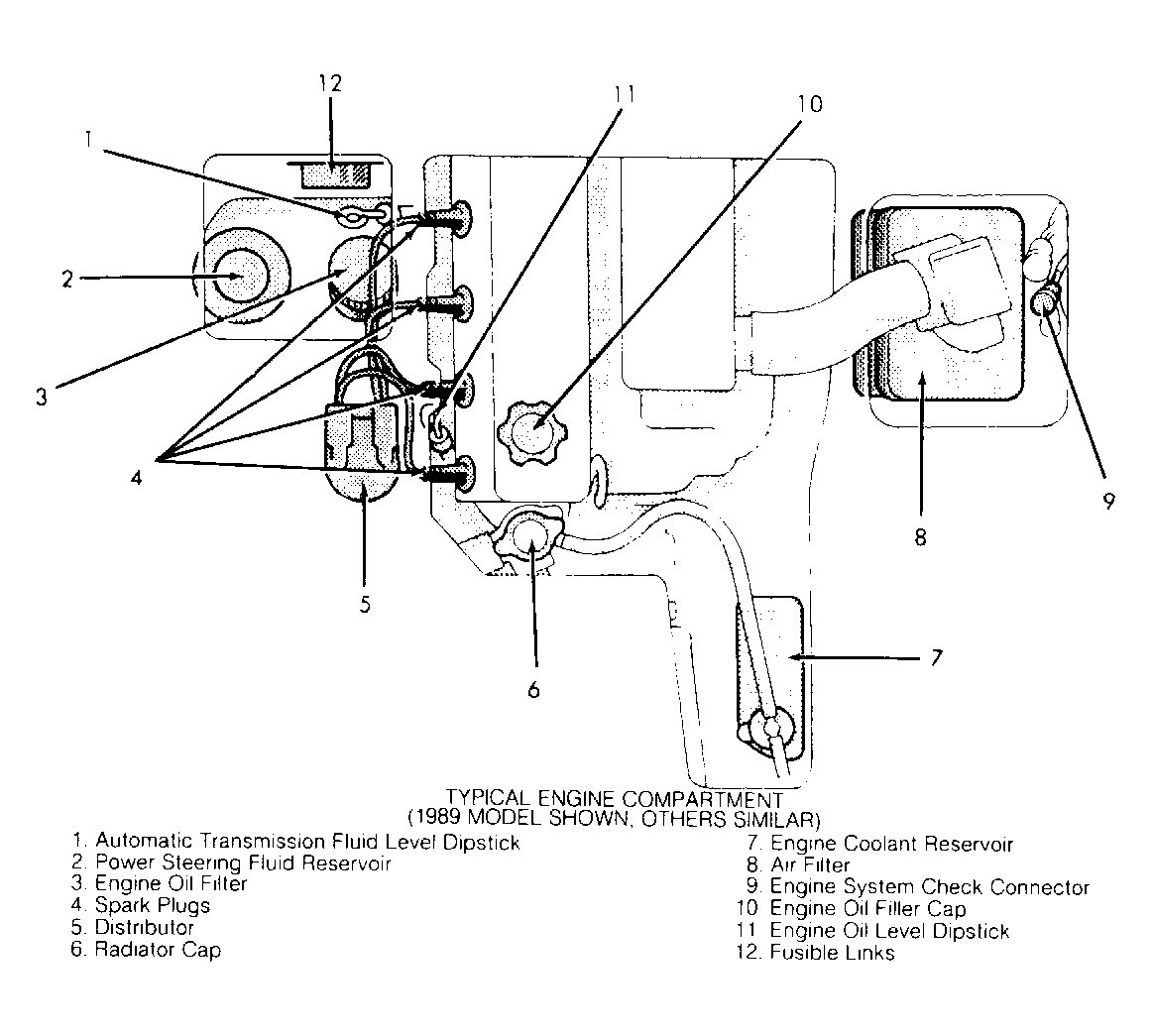
Service Point Locations

Fig 1: Service Point Locations
G90D02072Courtesy of © TOYOTA, LICENSE AGREEMENT TMS1002