LEMON Manuals: Even more car manuals for everyone: 1960-2025
Home >> Toyota >> 2003 >> Matrix Base, 4WD >> Repair and Diagnosis >> Engine Performance >> System >> Engine Controls - System & Component Testing - 4-Cylinder >> Computerized Engine Controls >> Starter Motor Signal Circuit >> MR2
April 5, 2026: LEMON Manuals is launched! Read the announcement.

Starter Motor Signal Circuit: MR2

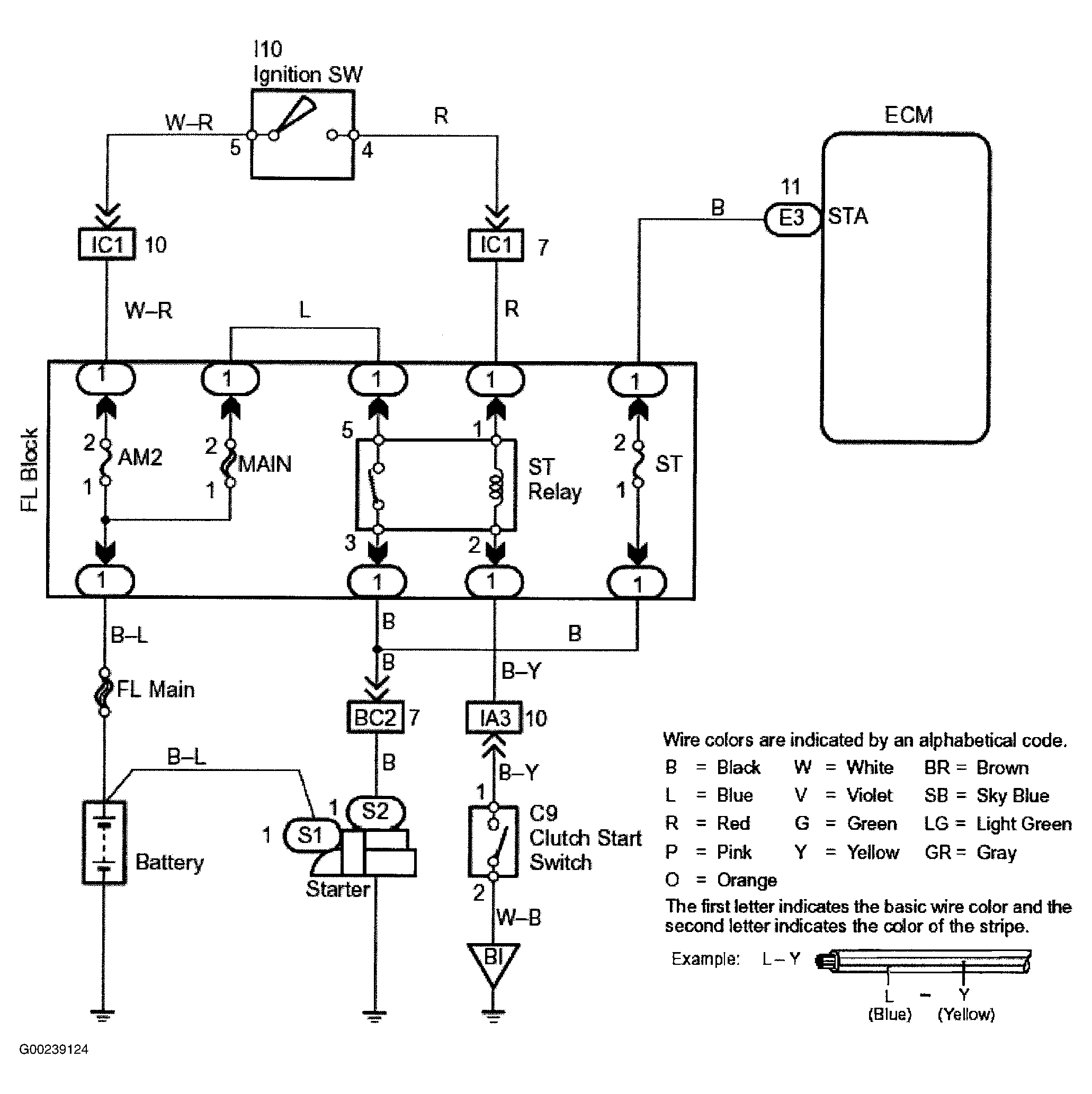
For starter signal circuit inspection and wiring diagram, see Fig 1-Fig 4 . Before replacing ECM, check ECM connectors and ground circuits. See ENGINE CONTROL MODULE POWER & GROUND CIRCUITS .

Fig 1: Starter Motor Signal Wiring Diagram (MR2)
G00239124Courtesy of © TOYOTA, LICENSE AGREEMENT TMS1002
Fig 2: Starter Motor Signal Circuit Inspection Using Toyota Hand-Held Tester (MR2)
G00239125Courtesy of © TOYOTA, LICENSE AGREEMENT TMS1002
Fig 3: Starter Motor Signal Circuit Inspection Using OBD II Scan Tool (MR2)
G00239126Courtesy of © TOYOTA, LICENSE AGREEMENT TMS1002
Fig 4: Locating Data Link Connector No. 3 (MR2)
G00016686Courtesy of © TOYOTA, LICENSE AGREEMENT TMS1002