LEMON Manuals: Even more car manuals for everyone: 1960-2025
Home >> Toyota >> 2003 >> Matrix Base, 4WD >> Repair and Diagnosis >> External Pages >> Different car >> Section 175 (Engine Controls - Self-Diagnostics) >> Diagnostic Tests >> DTC P2121: Throttle/Pedal Position Sensor/Switch "D" Circuit Range/Performance >> Diagnosis & Repair (Using OBD-II Scan Tool)
April 5, 2026: LEMON Manuals is launched! Read the announcement.

Diagnosis & Repair (Using OBD-II Scan Tool)

WARNING: This page is about a different car, the 2003 Lexus GX 470. However, it is still accessible from the selected car via links, so may be relevant.

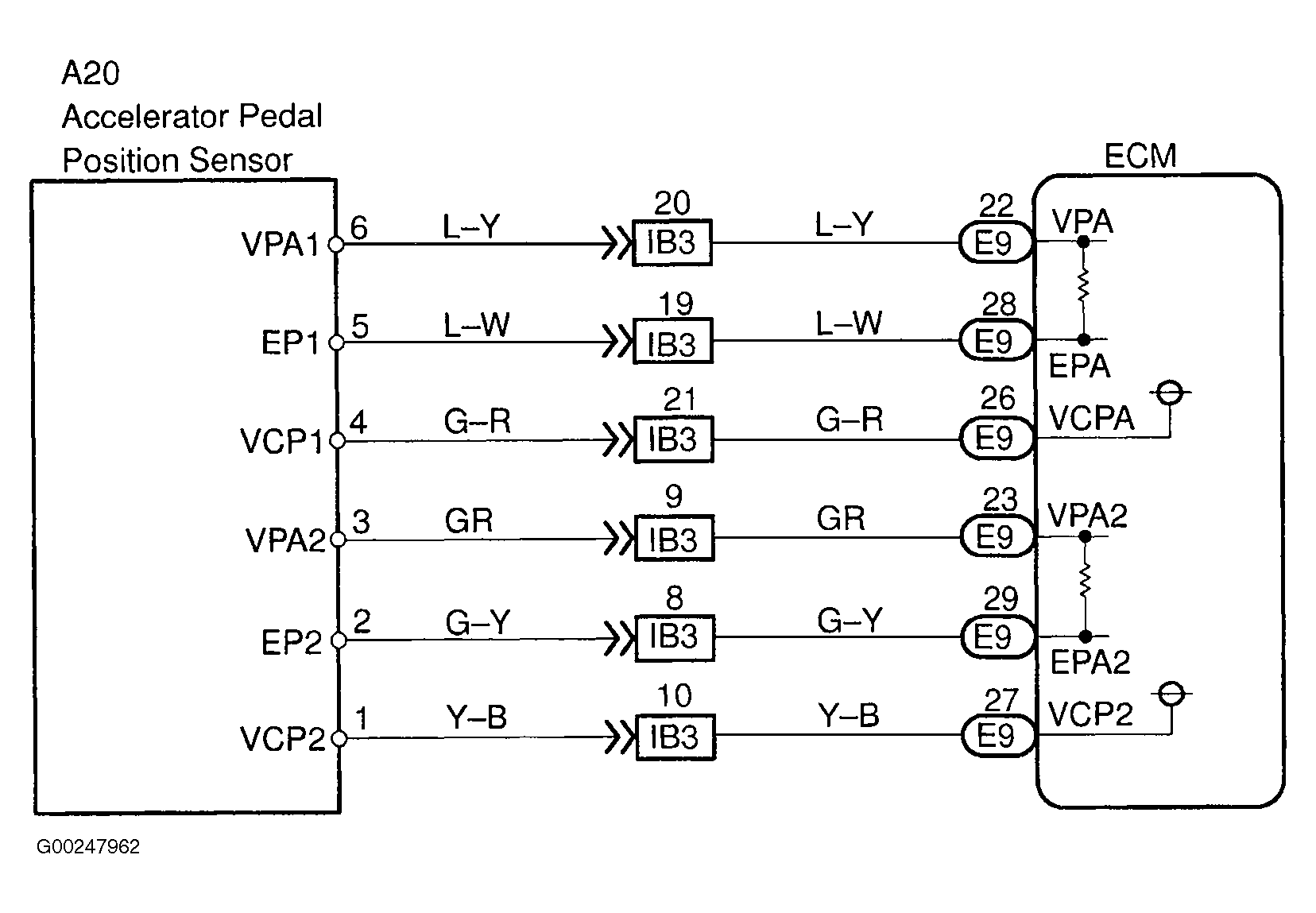
For wiring diagram, see Figure. For diagnosis and repair, see Fig 1.

Fig 1: Diagnosis & Repair Of Throttle /Pedal Position Sensor/Switch "D"
G00247968Courtesy of © TOYOTA, LICENSE AGREEMENT TMS1002