LEMON Manuals: Even more car manuals for everyone: 1960-2025
Home >> Toyota >> 2003 >> Matrix Base, 4WD >> Repair and Diagnosis >> External Pages >> Different car >> Section 88 (Engine Controls - Self-Diagnostics) >> Diagnostic Tests >> DTC P0121: Throttle/Pedal Position Sensor/Switch "A" Circuit Range/Performance Fault >> Circuit Description
April 5, 2026: LEMON Manuals is launched! Read the announcement.

Circuit Description

WARNING: This page is about a different car, the 2003 Lexus LX 470. However, it is still accessible from the selected car via links, so may be relevant.

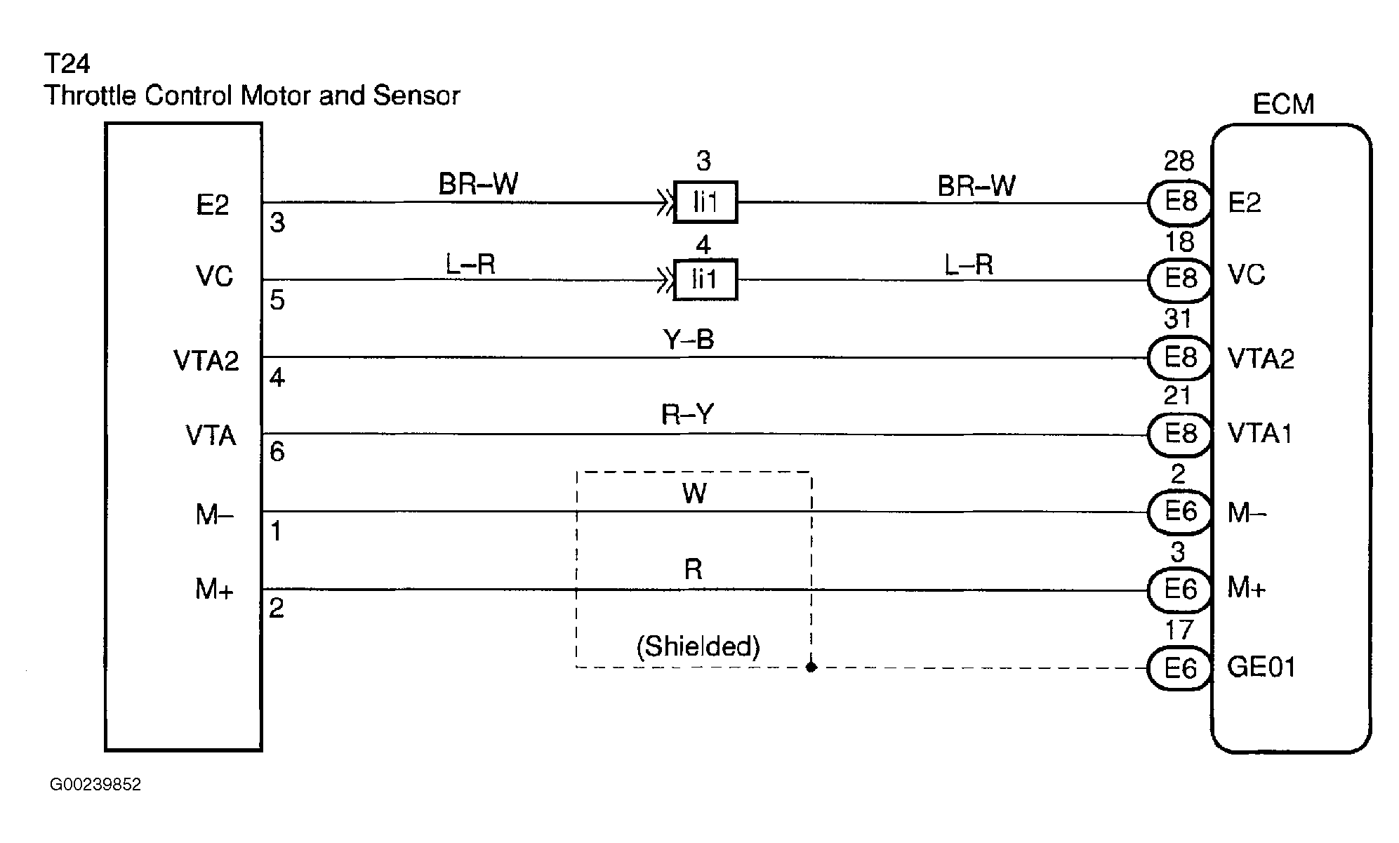
Throttle control motor and sensor is mounted on throttle body to detect the opening angle of the throttle valve. Since this sensor is electronically controlled with hall elements, accurate control and reliability can be obtained. It has 2 sensors to detect the throttle opening angle and a malfunction of the throttle control motor and sensor. The voltage applied to the terminals VTA1 and VTA2 of the ECM changes between 0-5 volts in proportion to the opening angle of the throttle valve. The VTA1 is a signal to indicate the actual throttle valve opening angle which is used for the engine control, and the VTA2 is a signal to indicate information about the opening angle which is used for detecting a malfunction. The ECM judges the current opening angle of the throttle valve from these signals input from terminals VTA1 and VTA2, and the ECM controls the throttle motor to make the throttle valve angle properly in response to the driving condition. If this DTC is stored, the throttle valve is locked at a certain opening angle. See Figure and Figure . Possible cause is faulty throttle control motor and sensor.