LEMON Manuals: Even more car manuals for everyone: 1960-2025
Home >> Toyota >> 2003 >> Matrix Base, FWD, Automatic >> Repair and Diagnosis >> External Pages >> Different car >> Section 93 (Engine Controls - System & Component Testing) >> Fuel Systems >> Fuel Pump Control Circuit >> Diagnosis & Repair (With OBD II Scan Tool)
April 5, 2026: LEMON Manuals is launched! Read the announcement.

Diagnosis & Repair (With OBD II Scan Tool)

WARNING: This page is about a different car, the 2003 Lexus LX 470. However, it is still accessible from the selected car via links, so may be relevant.

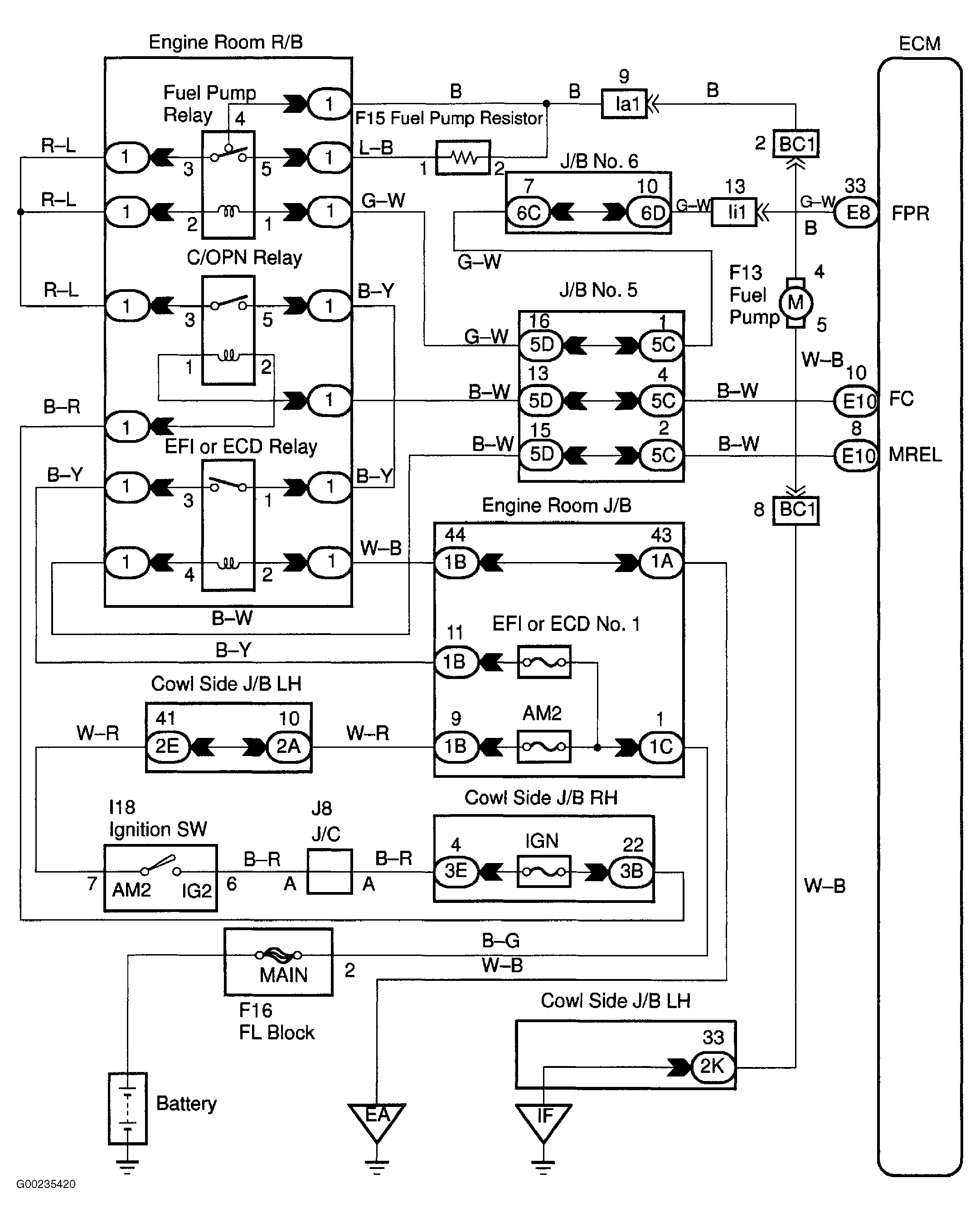
For wiring diagram, see Figure. For diagnosis and repair, see Fig 1 and Fig 2 .

Fig 1: Diagnosis & Repair Of Fuel Pump Control Circuit (Step 1-5)
G00235423Courtesy of © TOYOTA, LICENSE AGREEMENT TMS1002
Fig 2: Diagnosis & Repair Of Fuel Pump Control Circuit (Step 6-7)
G00235424Courtesy of © TOYOTA, LICENSE AGREEMENT TMS1002