LEMON Manuals: Even more car manuals for everyone: 1960-2025
Home >> Toyota >> 2004 >> Matrix Base, 4WD >> Repair and Diagnosis >> External Pages >> Different car >> Section 108 (Engine Controls - Self-Diagnostics) >> Diagnostic Tests >> DTC P0441: Incorrect EVAP Purge Flow Or DTC P0446: EVAP System Vent Control Fault >> Circuit Description
April 5, 2026: LEMON Manuals is launched! Read the announcement.

Circuit Description

WARNING: This page is about a different car, the 2003 Lexus LS 430. However, it is still accessible from the selected car via links, so may be relevant.

The vapor pressure sensor, VSV for canister closed valve (CCV), and VSV for pressure switching valve are used to detect abnormalities in the evaporative emission control system. The ECM decides whether there is an abnormality in the evaporative emission control system based on the pressure sensor signal. DTCs P0441 and P0446 are recorded by the ECM when evaporative emissions leak from the components noted within the dotted line or when there is a malfunction in either the VSV for EVAP, the VSV for pressure switching valve, or in the vapor pressure sensor itself. See Fig 2.

On DTC P0441, the ECM closes the CCV and opens the VSV for pressure switching valve, causing vacuum to increase in the entire EVAP system. The ECM continues to operate the VSV for EVAP until the vacuum is increased to a specified point at which time the ECM closes the VSV for EVAP. If the vacuum did not increase, or if the vacuum increased beyond the specified limit, the ECM judges the VSV for EVAP and related components to be faulty. DTC is detected when pressure in charcoal canister and fuel tank does not drop during purge control (2 trip detection logic). See Fig 1.

Fig 1: Evaporative Emission Control System Operation
G00232363Courtesy of © TOYOTA, LICENSE AGREEMENT TMS1002

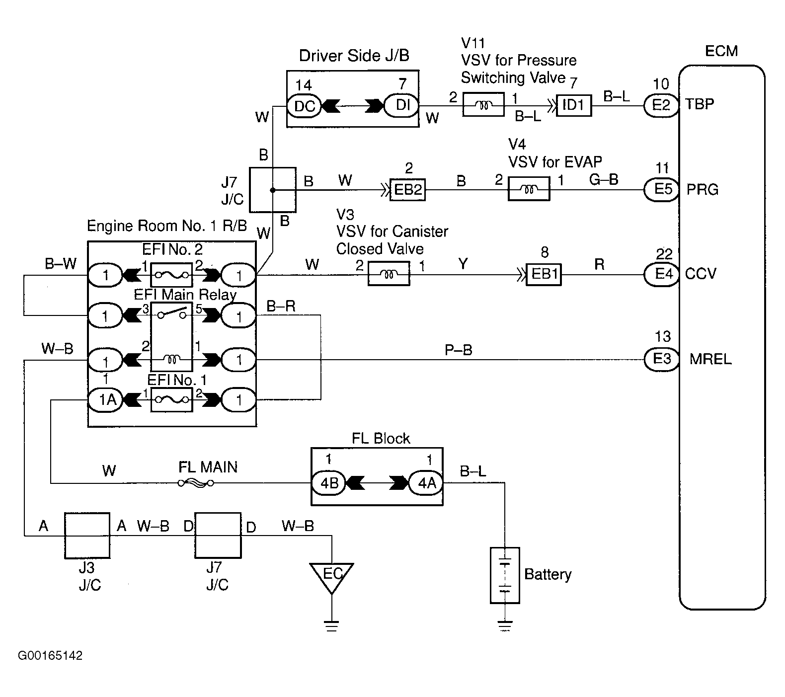
On DTC P0446, when the vapor pressure rises to a specified point, the ECM opens the VSV for CCV. Pressure will increase rapidly because of the air allowed into the system. No increase or an increase below specified rate of pressure increase indicates a restriction on the air inlet side. The ECM closes the VSV for pressure switching valve. This action blocks air entering the fuel tank side of system. The pressure rise on the fuel tank side is no longer as great. If there is no change in pressure, the ECM will conclude the VSV for pressure switching valve did not close. DTC is detected when VSV for pressure switching valve is ON, and ECM judges that there is no continuity between vapor pressure sensor, fuel tank and charcoal canister. Also after VSV for pressure switching valve is turned OFF, pressure in fuel tank is maintained at atmospheric pressure, and when VSV for CCV is ON, pressure in charcoal canister and fuel tank is maintained at atmospheric pressure. See Fig 1 and Fig 3 . Possible causes are:

Fig 2: Identifying EVAP Control System Components
G00165141Courtesy of © TOYOTA, LICENSE AGREEMENT TMS1002
Fig 3: EVAP Control System Circuit Diagram
G00165142Courtesy of © TOYOTA, LICENSE AGREEMENT TMS1002