LEMON Manuals: Even more car manuals for everyone: 1960-2025
Home >> Toyota >> 2004 >> Matrix Base, 4WD >> Repair and Diagnosis >> External Pages >> Different car >> Section 697 (Navigation System - Diagnostics) >> Power Source Circuit (Radio And Navigation ASSY) >> Wiring Diagram
April 5, 2026: LEMON Manuals is launched! Read the announcement.

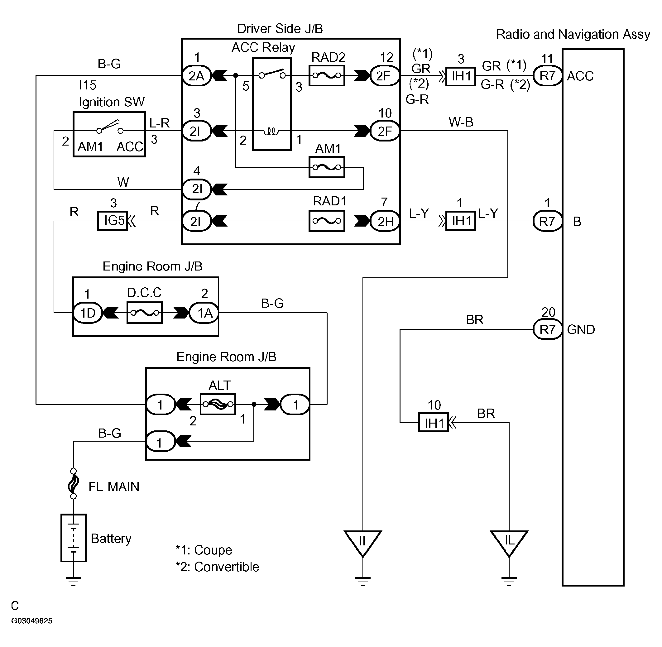
Power Source Circuit (Radio And Navigation ASSY): Wiring Diagram

WARNING: This page is about a different car, the 2004 Toyota Camry Solara. However, it is still accessible from the selected car via links, so may be relevant.
Fig 1: Power Source Circuit (Radio & Navigation Assy) Wiring Diagram
G03049625Courtesy of © TOYOTA, LICENSE AGREEMENT TMS1002