LEMON Manuals: Even more car manuals for everyone: 1960-2025
Home >> Toyota >> 2004 >> Matrix Base, FWD, Automatic >> Repair and Diagnosis >> External Pages >> Different car >> Section 437 (Body Control Systems - Diagnostics) >> Circuit Inspection >> Driver Buckle Switch Circuit >> Wiring Diagram
April 5, 2026: LEMON Manuals is launched! Read the announcement.

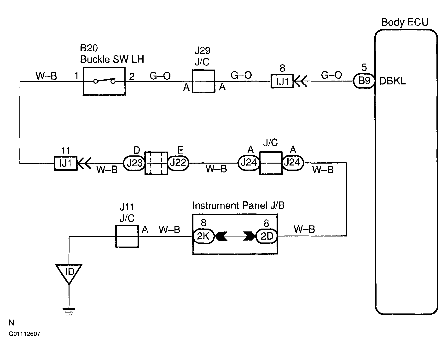
Driver Buckle Switch Circuit: Wiring Diagram

WARNING: This page is about a different car, the 2002 Toyota Prius. However, it is still accessible from the selected car via links, so may be relevant.
Fig 1: Driver Buckle Switch Circuit
G01112607Courtesy of © TOYOTA, LICENSE AGREEMENT TMS1002