LEMON Manuals: Even more car manuals for everyone: 1960-2025
Home >> Toyota >> 2006 >> Matrix Base, 4WD >> Repair and Diagnosis >> Electrical >> Body Electrical >> OEM System Circuits >> Electronically Controlled Transmission >> Notes
April 5, 2026: LEMON Manuals is launched! Read the announcement.

Electronically Controlled Transmission: Notes

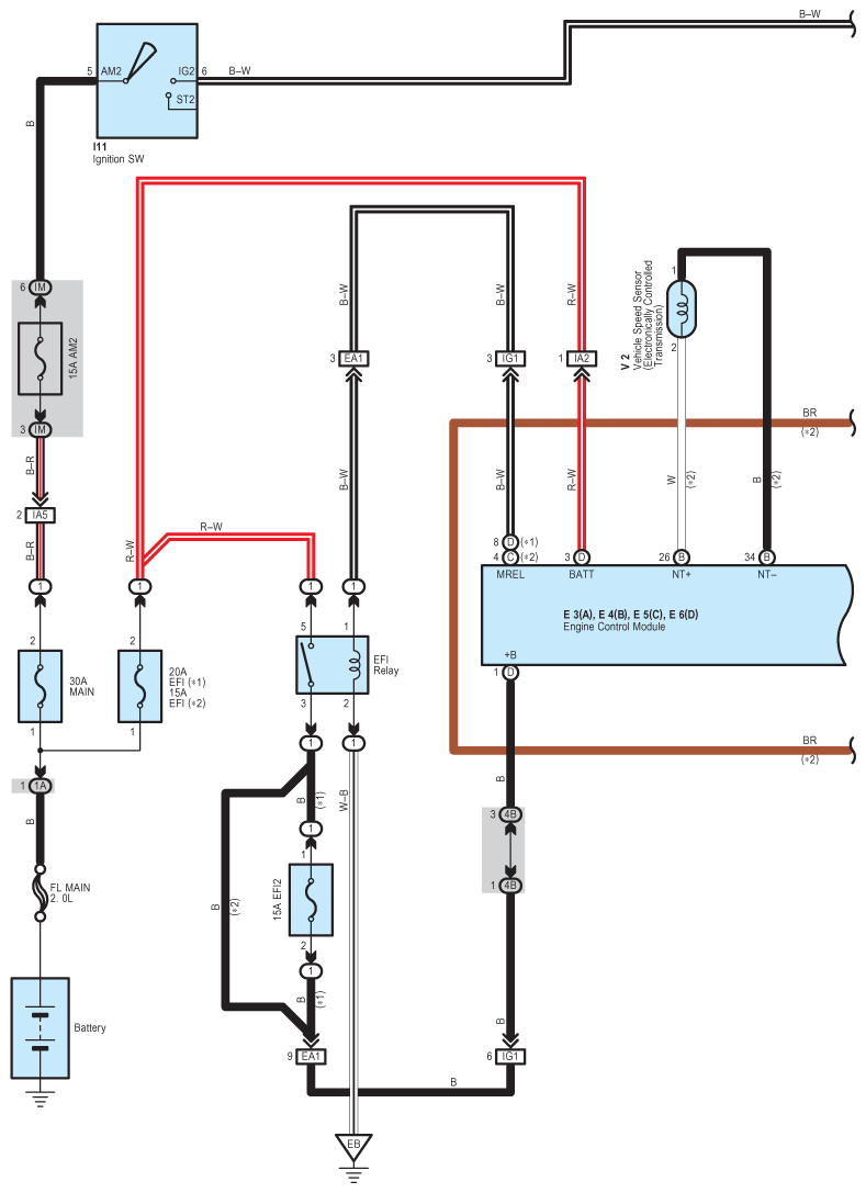
Fig 1: Electronically Controlled Transmission System Wiring Diagram (1 Of 4)
G08838190Courtesy of © TOYOTA, LICENSE AGREEMENT TMS1002
Fig 2: Electronically Controlled Transmission System Wiring Diagram (2 Of 4)
G08838191Courtesy of © TOYOTA, LICENSE AGREEMENT TMS1002
Fig 3: Electronically Controlled Transmission System Wiring Diagram (3 Of 4)
G08838192Courtesy of © TOYOTA, LICENSE AGREEMENT TMS1002
Fig 4: Electronically Controlled Transmission System Wiring Diagram (4 Of 4)
G08838193Courtesy of © TOYOTA, LICENSE AGREEMENT TMS1002