LEMON Manuals: Even more car manuals for everyone: 1960-2025
Home >> Toyota >> 2006 >> Matrix Base, 4WD >> Repair and Diagnosis >> Electrical >> Body Electrical >> OEM System Circuits >> Rear Window Defogger >> Notes
April 5, 2026: LEMON Manuals is launched! Read the announcement.

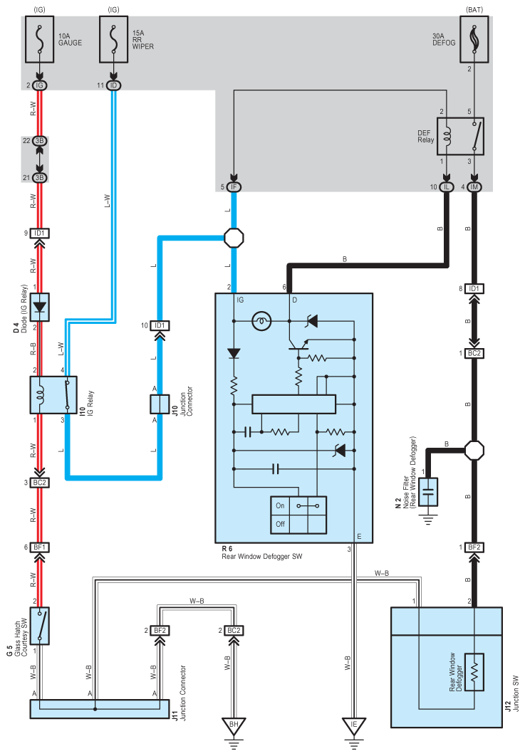
Rear Window Defogger: Notes

Fig 1: Rear Window Defogger System Wiring Diagram
G08838216Courtesy of © TOYOTA, LICENSE AGREEMENT TMS1002