LEMON Manuals: Even more car manuals for everyone: 1960-2025
Home >> Toyota >> 2006 >> Matrix Base, FWD, Automatic >> Repair and Diagnosis (Single Page) >> Engine Performance >> System >> Engine Control System (1ZZ-FE) - SFI System (For 4WD) - Introduction, System & Circuit Checks >> Stop Light Switch Circuit >> Wiring Diagram
April 5, 2026: LEMON Manuals is launched! Read the announcement.

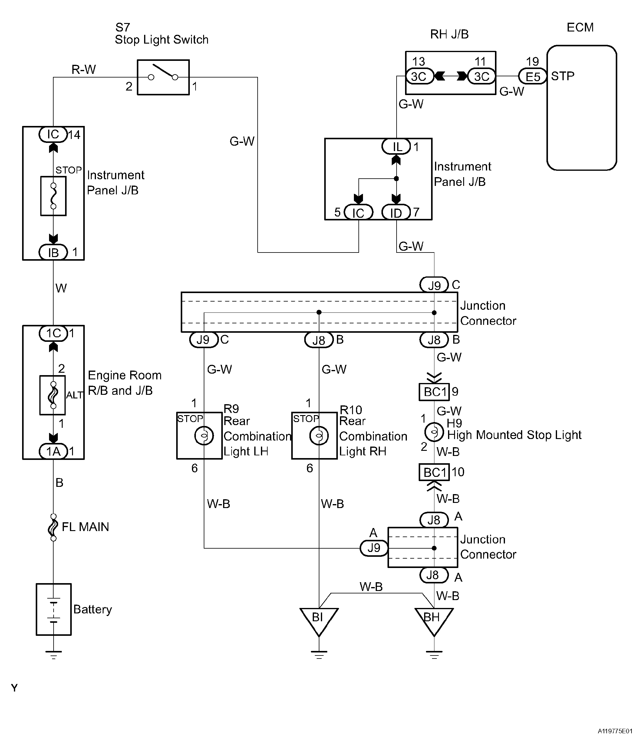
Stop Light Switch Circuit: Wiring Diagram

Fig 1: Stop Light Switch Circuit - Wiring Diagram
G04460430Courtesy of © TOYOTA, LICENSE AGREEMENT TMS1002