LEMON Manuals: Even more car manuals for everyone: 1960-2025
Home >> Toyota >> 2006 >> Prius >> Repair and Diagnosis >> Electrical >> Body Electrical >> OEM System Circuits >> Wireless Door Lock Control without Smart Key System >> Notes
April 5, 2026: LEMON Manuals is launched! Read the announcement.

Wireless Door Lock Control without Smart Key System: Notes

Fig 1: Wireless Door Lock Control Without Smart Key System Wiring Diagram (1 Of 5)
G08794785Courtesy of © TOYOTA, LICENSE AGREEMENT TMS1002
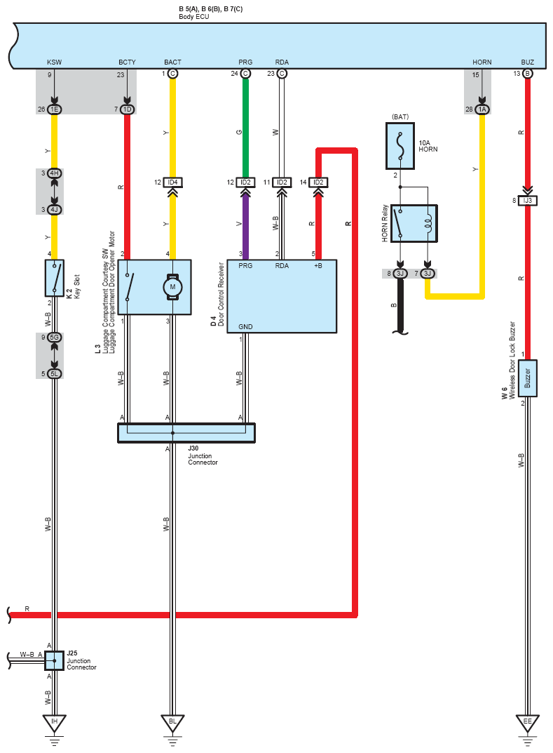
Fig 2: Wireless Door Lock Control Without Smart Key System Wiring Diagram (2 Of 5)
G08794786Courtesy of © TOYOTA, LICENSE AGREEMENT TMS1002
Fig 3: Wireless Door Lock Control Without Smart Key System Wiring Diagram (3 Of 5)
G08794787Courtesy of © TOYOTA, LICENSE AGREEMENT TMS1002
Fig 4: Wireless Door Lock Control Without Smart Key System Wiring Diagram (4 Of 5)
G08794788Courtesy of © TOYOTA, LICENSE AGREEMENT TMS1002
Fig 5: Wireless Door Lock Control Without Smart Key System Wiring Diagram (5 Of 5)
G08794789Courtesy of © TOYOTA, LICENSE AGREEMENT TMS1002