LEMON Manuals: Even more car manuals for everyone: 1960-2025
Home >> Toyota >> 2007 >> Matrix Base, Automatic >> Repair and Diagnosis >> Accessories & Equipment >> Entertainment Systems >> Audio System & Visual System >> Audio And Visual System >> Speaker Circuit >> Wiring Diagram
April 5, 2026: LEMON Manuals is launched! Read the announcement.

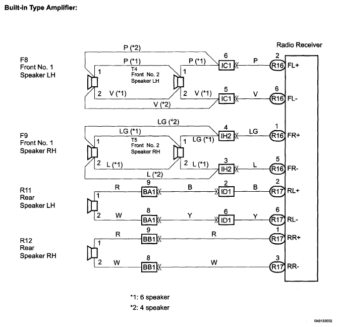
Speaker Circuit: Wiring Diagram

Fig 1: Speaker Circuit - Wiring Diagram (1 Of 2)
G05237106Courtesy of © TOYOTA, LICENSE AGREEMENT TMS1002
Fig 2: Speaker Circuit - Wiring Diagram (2 Of 2)
G05237107Courtesy of © TOYOTA, LICENSE AGREEMENT TMS1002