LEMON Manuals: Even more car manuals for everyone: 1960-2025
Home >> Toyota >> 2008 >> Prius Base >> Repair and Diagnosis >> Electrical >> Body Electrical >> OEM System Circuits >> Automatic Light Control System >> Notes
April 5, 2026: LEMON Manuals is launched! Read the announcement.

Automatic Light Control System: Notes

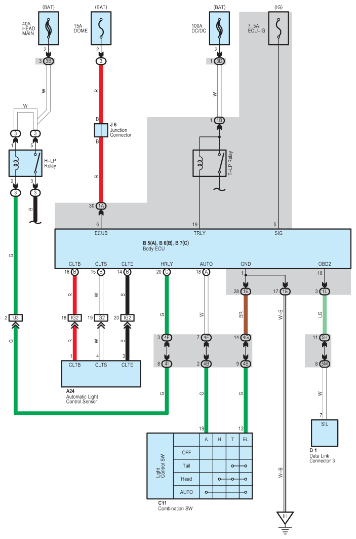
Fig 1: Automatic Light Control - Circuit Diagram
G07577009Courtesy of © TOYOTA, LICENSE AGREEMENT TMS1002