LEMON Manuals: Even more car manuals for everyone: 1960-2025
Home >> Toyota >> 2008 >> Prius Base >> Repair and Diagnosis >> Electrical >> Body Electrical >> OEM System Circuits >> Multi-Display and Audio System for Separate Amplifier >> Notes
April 5, 2026: LEMON Manuals is launched! Read the announcement.

Multi-Display and Audio System for Separate Amplifier: Notes

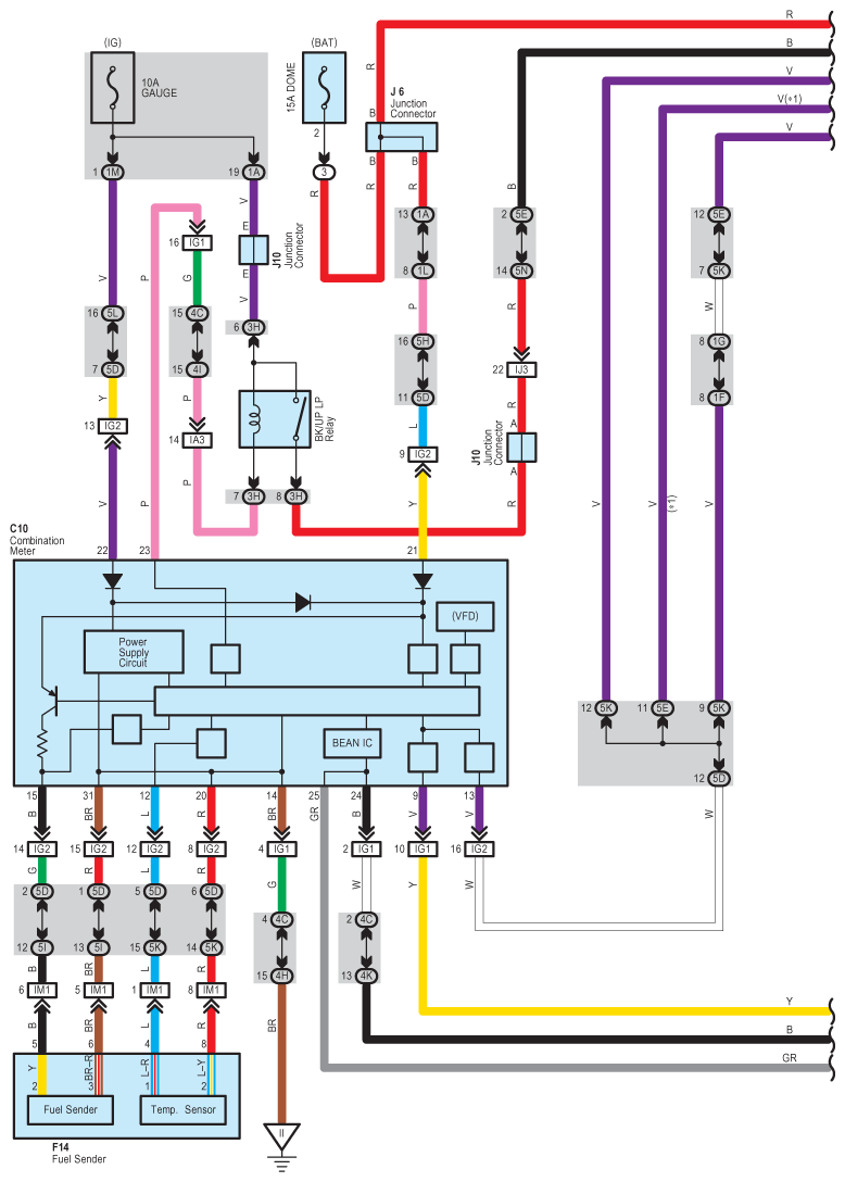
Fig 1: Multi-Display And Audio System For Separate Amplifier - Circuit Diagram (1 Of 7)
G07577115Courtesy of © TOYOTA, LICENSE AGREEMENT TMS1002
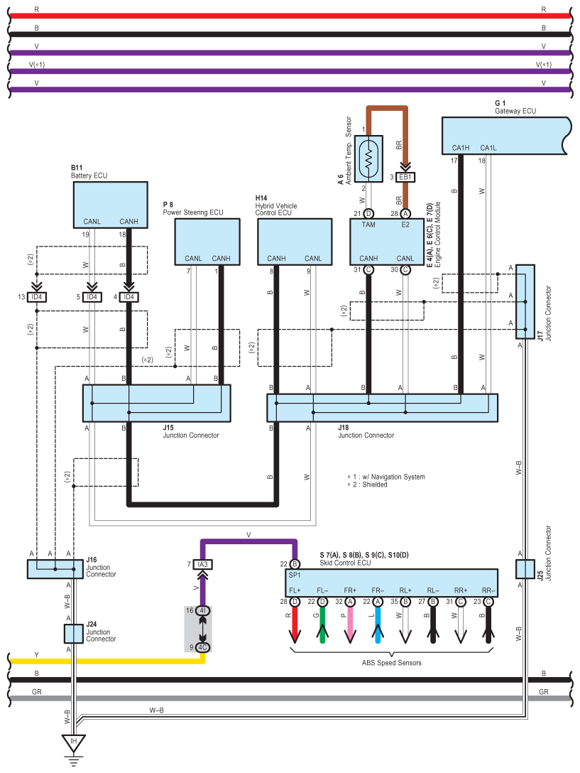
Fig 2: Multi-Display And Audio System For Separate Amplifier - Circuit Diagram (2 Of 7)
G07577116Courtesy of © TOYOTA, LICENSE AGREEMENT TMS1002
Fig 3: Multi-Display And Audio System For Separate Amplifier - Circuit Diagram (3 Of 7)
G07577117Courtesy of © TOYOTA, LICENSE AGREEMENT TMS1002
Fig 4: Multi-Display And Audio System For Separate Amplifier - Circuit Diagram (4 Of 7)
G07577118Courtesy of © TOYOTA, LICENSE AGREEMENT TMS1002
Fig 5: Multi-Display And Audio System For Separate Amplifier - Circuit Diagram (5 Of 7)
G07577119Courtesy of © TOYOTA, LICENSE AGREEMENT TMS1002
Fig 6: Multi-Display And Audio System For Separate Amplifier - Circuit Diagram (6 Of 7)
G07577120Courtesy of © TOYOTA, LICENSE AGREEMENT TMS1002
Fig 7: Multi-Display And Audio System For Separate Amplifier - Circuit Diagram (7 Of 7)
G07577121Courtesy of © TOYOTA, LICENSE AGREEMENT TMS1002