LEMON Manuals: Even more car manuals for everyone: 1960-2025
Home >> Toyota >> 2008 >> Prius Base >> Repair and Diagnosis >> Electrical >> Body Electrical >> OEM System Circuits >> Wireless Door Lock Control System without Smart Entry System >> Notes
April 5, 2026: LEMON Manuals is launched! Read the announcement.

Wireless Door Lock Control System without Smart Entry System: Notes

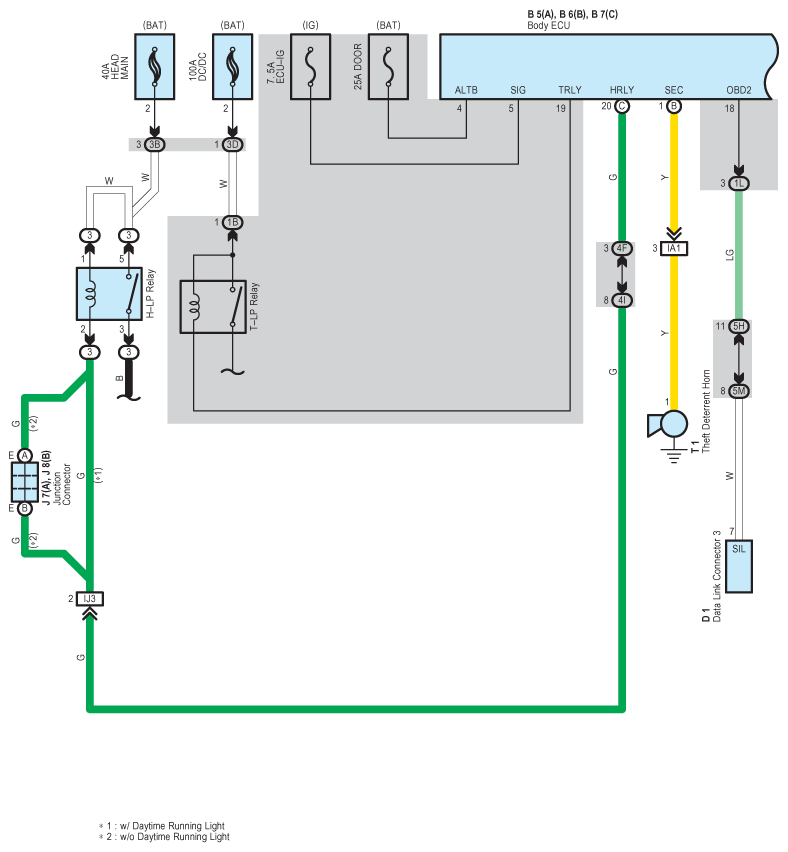
Fig 1: Wireless Door Lock Control Without Smart Entry System - Circuit Diagram (1 Of 5)
G07577051Courtesy of © TOYOTA, LICENSE AGREEMENT TMS1002
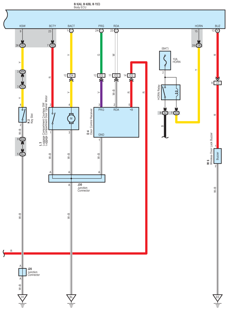
Fig 2: Wireless Door Lock Control Without Smart Entry System - Circuit Diagram (2 Of 5)
G07577052Courtesy of © TOYOTA, LICENSE AGREEMENT TMS1002
Fig 3: Wireless Door Lock Control Without Smart Entry System - Circuit Diagram (3 Of 5)
G07577053Courtesy of © TOYOTA, LICENSE AGREEMENT TMS1002
Fig 4: Wireless Door Lock Control Without Smart Entry System - Circuit Diagram (4 Of 5)
G07577054Courtesy of © TOYOTA, LICENSE AGREEMENT TMS1002
Fig 5: Wireless Door Lock Control Without Smart Entry System - Circuit Diagram (5 Of 5)
G07577055Courtesy of © TOYOTA, LICENSE AGREEMENT TMS1002