LEMON Manuals: Even more car manuals for everyone: 1960-2025
Home >> Toyota >> 2009 >> Matrix S, AWD >> Repair and Diagnosis (Single Page) >> Accessories & Equipment >> Infotainment >> Navigation / Multi Info Display >> Navigation System >> Vehicle Speed Signal Circuit between Navigation Receiver Assembly and Combination Meter >> Wiring Diagram
April 5, 2026: LEMON Manuals is launched! Read the announcement.

Vehicle Speed Signal Circuit between Navigation Receiver Assembly and Combination Meter: Wiring Diagram

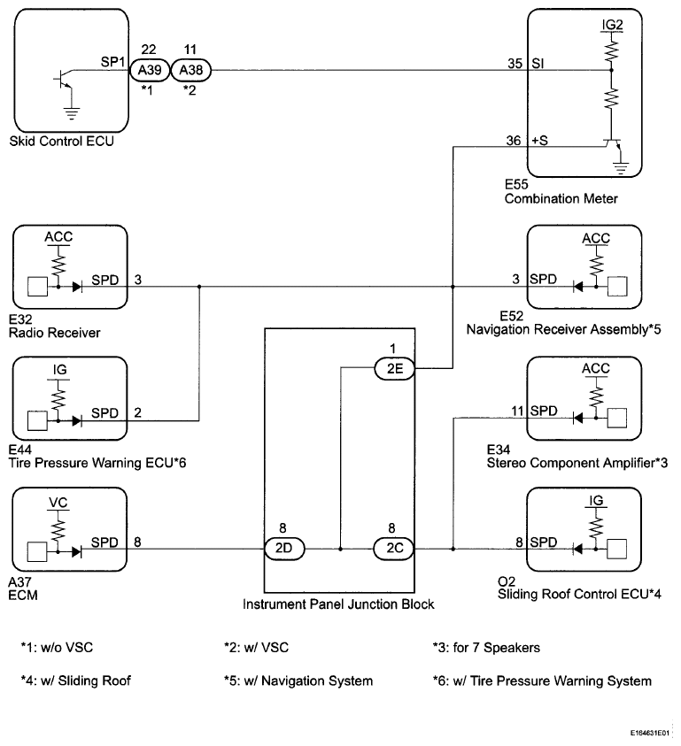
  1. for 2AZ-FE: 
    Fig 1: Vehicle Speed Signal (2AZ-FE) - Wiring Diagram
    G06035963Courtesy of © TOYOTA, LICENSE AGREEMENT TMS1002
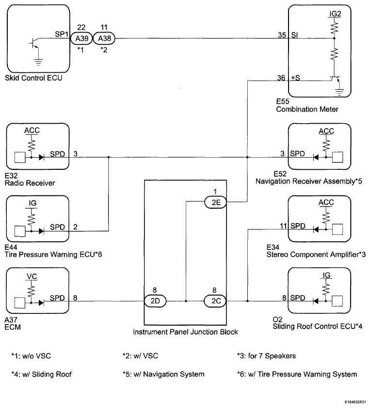
  2. for 2ZR-FE: 
    Fig 2: Vehicle Speed Signal (2ZR-FE) - Wiring Diagram
    G06035964Courtesy of © TOYOTA, LICENSE AGREEMENT TMS1002