LEMON Manuals: Even more car manuals for everyone: 1960-2025
Home >> Toyota >> 2009 >> Matrix S, AWD >> Repair and Diagnosis (Single Page) >> Electrical >> Fuses & Circuit Breakers >> OEM Junction Block, Ecu & Fuse/Relay Locations >> Junction Block Fuse, Relay & Circuit Identification >> Driver Side Junction Block Assembly Inner Circuit
April 5, 2026: LEMON Manuals is launched! Read the announcement.

Driver Side Junction Block Assembly Inner Circuit

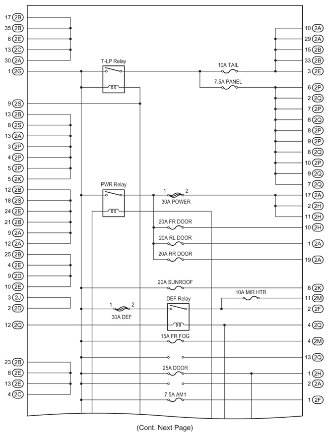
Fig 1: Driver Side J/B Assembly Inner Circuit Diagram (1 Of 4) With Relays
G07606185Courtesy of © TOYOTA, LICENSE AGREEMENT TMS1002
DRIVER SIDE J/B INNER CIRCUIT RELAY IDENTIFICATION

RELAY DESCRIPTION
T-PL Relay
PWR Relay
DEF Relay
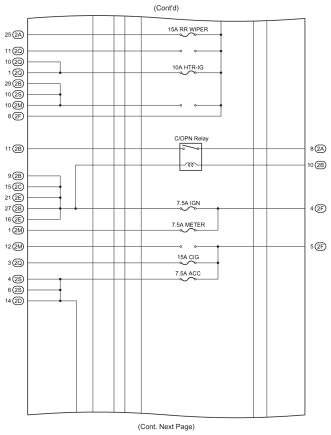
Fig 2: Driver Side J/B Assembly Inner Circuit Diagram (2 Of 4)
G07606186Courtesy of © TOYOTA, LICENSE AGREEMENT TMS1002
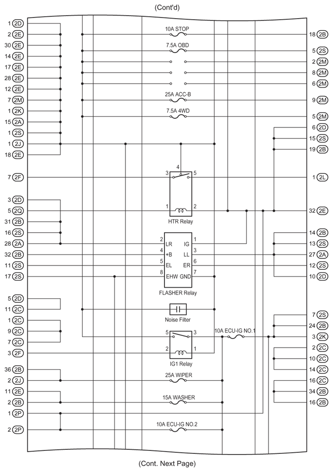
Fig 3: Driver Side J/B Assembly Inner Circuit Diagram (3 Of 4) With Relays
G07606187Courtesy of © TOYOTA, LICENSE AGREEMENT TMS1002
DRIVER SIDE J/B INNER CIRCUIT RELAY IDENTIFICATION

RELAY DESCRIPTION
C/OPN Relay
Fig 4: Driver Side J/B Assembly Inner Circuit Diagram (4 Of 4)
G07606188Courtesy of © TOYOTA, LICENSE AGREEMENT TMS1002