LEMON Manuals: Even more car manuals for everyone: 1960-2025
Home >> Toyota >> 2010 >> Matrix S, AWD >> Repair and Diagnosis (Single Page) >> Accessories & Equipment >> Infotainment >> Navigation (Diagnostic Codes & Symptom Tests) >> Navigation System >> Circuit Test >> Vehicle Speed Signal Circuit Between Navigation Receiver Assembly and Combination Meter >> Wiring Diagram
April 5, 2026: LEMON Manuals is launched! Read the announcement.

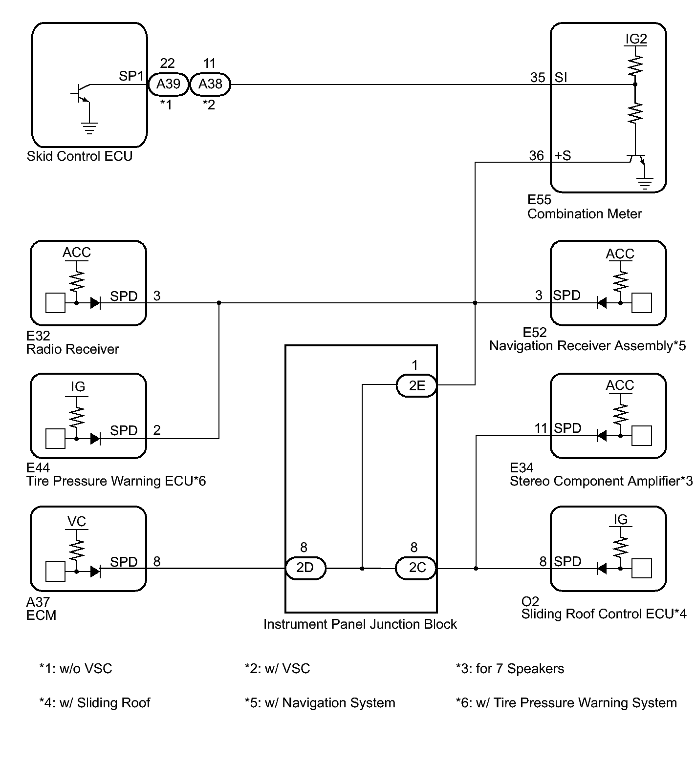
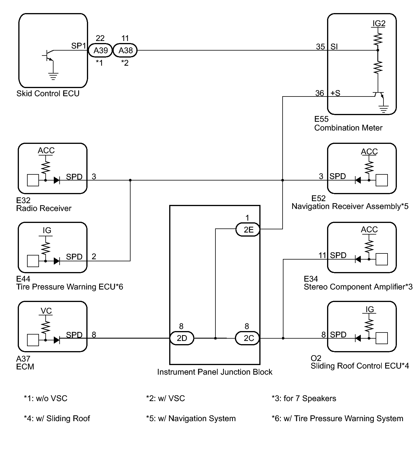
Vehicle Speed Signal Circuit Between Navigation Receiver Assembly and Combination Meter: Wiring Diagram

  1. for 2AZ-FE: 
    Fig 1: Vehicle Speed Signal (2AZ-FE) - Wiring Diagram
    GTY247429Courtesy of © TOYOTA, LICENSE AGREEMENT TMS1002
  2. for 2ZR-FE: 
    Fig 2: Vehicle Speed Signal (2ZR-FE) - Wiring Diagram
    GTY247427Courtesy of © TOYOTA, LICENSE AGREEMENT TMS1002