LEMON Manuals: Even more car manuals for everyone: 1960-2025
Home >> Toyota >> 2010 >> Prius Base >> Repair and Diagnosis (Single Page) >> Electrical >> Starter >> Smart Key System (Start Function) (Diagnostic Codes & Circuit Tests) (Except PHV) >> SMART KEY SYSTEM (for Start Function) >> Circuit Test >> Power Source Mode does not Change to ON (IG and ACC) >> Wiring Diagram
April 5, 2026: LEMON Manuals is launched! Read the announcement.

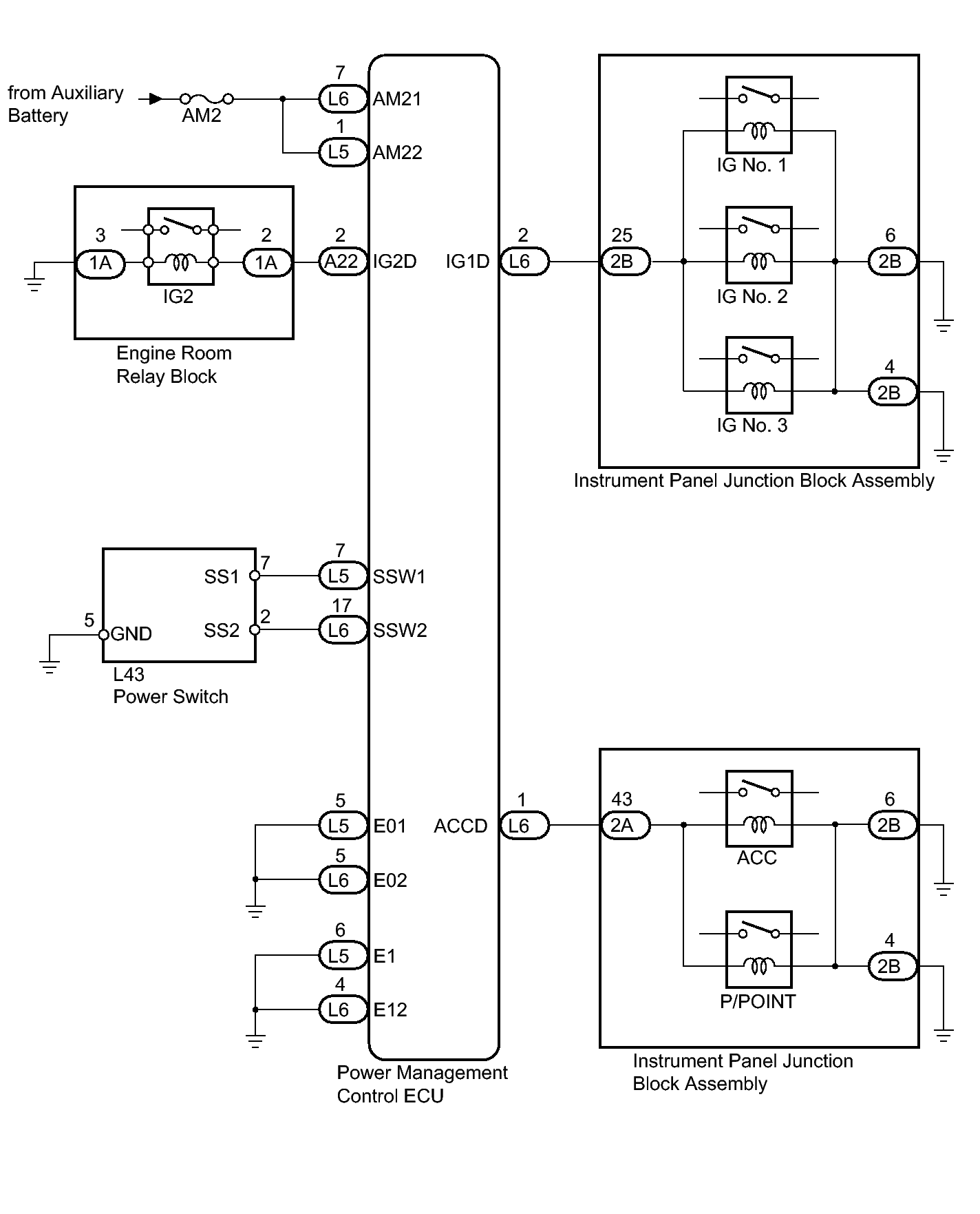
Power Source Mode does not Change to ON (IG and ACC): Wiring Diagram

Fig 1: View Of Instrument Panel Junction Block Assembly Wiring Diagram
GTY215574Courtesy of © TOYOTA, LICENSE AGREEMENT TMS1002